P-010.xxP – P-056.xxP PICA Power Piezo Actuators
For High-Dynamics Applications
- Operating temperature up to 150 °C
- High operating frequencies
- High load capacity
- Force generation up to 70 kN



Stacked piezo linear actuator
Operating voltage 0 to 1000 V. Long lifetime without derating. Large displacement, low electrical capacitance. Sub-nanometer resolution, µs response. Integrated temperature sensor to prevent damage from overheating. Extreme reliability: >109 cycles
Available options
- Bipolar control
- SGS sensors for positional stability
- PZT ceramic material
- Operating voltage range, displacement, layer thickness
- Load capacity, force generation
- Geometric shapes: rectangular, inner hole
- Mechanical interfaces: flat, metal, ceramic, glass, sapphire, etc.
- Integrated piezoelectric detector layers
- Operating temperature of up to 200 °C
- UHV-compatible to 10-9 hPa
- Non-magnetic versions
- Extra-tight length tolerances
Fields of application
Industry and research. For active damping of oscillations, precision mechanics and machining, active structures (adaptive systems technology)
Specifications
Datasheet P-010xx.P - P-056xx.P
Specifications
Displacement | Diameter OD | Length L | Blocking force | Stiffness | Electrical capacitance | Resonant frequency | |
|---|---|---|---|---|---|---|---|
µm | mm | mm | N | N/µm | nF | kHz | |
P-010.00P | 5 | 10 | 9 | 1200 | 240 | 17 | 129 |
P-010.10P | 15 | 10 | 18 | 1800 | 120 | 46 | 64 |
P-010.20P | 30 | 10 | 31 | 2100 | 68 | 90 | 37 |
P-010.40P | 60 | 10 | 58 | 2200 | 37 | 180 | 20 |
P-010.80P | 120 | 10 | 111 | 2300 | 19 | 370 | 10 |
P-016.10P | 15 | 16 | 18 | 4500 | 300 | 130 | 64 |
P-016.20P | 30 | 16 | 31 | 5400 | 180 | 250 | 37 |
P-016.40P | 60 | 16 | 58 | 5600 | 94 | 510 | 20 |
P-016.80P | 120 | 16 | 111 | 5900 | 49 | 1000 | 10 |
P-016.90P | 180 | 16 | 163 | 6000 | 33 | 1600 | 7 |
P-025.10P | 15 | 25 | 20 | 9900 | 660 | 320 | 58 |
P-025.20P | 30 | 25 | 33 | 12000 | 400 | 630 | 35 |
P-025.40P | 60 | 25 | 60 | 13000 | 220 | 1300 | 19 |
P-025.80P | 120 | 25 | 113 | 14000 | 120 | 2600 | 10 |
P-025.90P | 180 | 25 | 165 | 14000 | 80 | 4000 | 7 |
P-035.10P | 15 | 35 | 21 | 18000 | 1200 | 530 | 55 |
P-035.20P | 30 | 35 | 34 | 23000 | 760 | 1200 | 34 |
P-035.40P | 60 | 35 | 61 | 26000 | 430 | 2500 | 19 |
P-035.80P | 120 | 35 | 114 | 28000 | 230 | 5200 | 10 |
P-035.90P | 180 | 35 | 166 | 29000 | 160 | 7800 | 7 |
P-045.20P | 30 | 45 | 36 | 36000 | 1200 | 2100 | 32 |
P-045.40P | 60 | 45 | 63 | 41000 | 680 | 4300 | 18 |
P-045.80P | 120 | 45 | 116 | 44000 | 370 | 8800 | 10 |
P-045.90P | 180 | 45 | 169 | 45000 | 250 | 13000 | 7 |
P-056.20P | 30 | 56 | 36 | 54000 | 1800 | 3300 | 32 |
P-056.40P | 60 | 56 | 63 | 66000 | 1100 | 6700 | 18 |
P-056.80P | 120 | 56 | 116 | 68000 | 570 | 14000 | 10 |
P-056.90P | 180 | 56 | 169 | 70000 | 390 | 21000 | 7 |
Travel range: at 0 to 1000 V, tolerance -10 / 20 %.
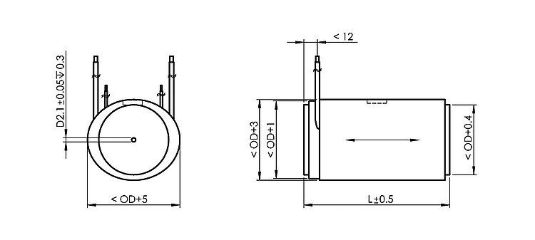
Length L: Tolerance ±0.5 mm.
Blocking force: at 0 to 1000 V.
Electrical capacitance: Tolerance ±20 %, measured at 1 Vₚₚ, 1 kHz, RT.
Resonant frequency at 1 Vₚₚ, unloaded, unclamped. The value is halved for unilateral clamping.
Piezo ceramic type: PIC255.
Standard connections: FEP- insulated wire leads, 100 mm, AWG 24, Ø 1.15 mm.
Operating voltage: 0 to 1000 V.
Operating temperature range: -20 to 150 °C.
Standard mechanical interfaces: steel plates, 0.5 to 2 mm thick (depends on model)
Outer surface: FEP, transparent shrink sleeving
Recommended preload for dynamic operation: 15 MPa.
Maximum preload for constant force: 30 MPa.
Temperature sensor: PT 1000.
Custom designs or different specifications on request.
Downloads
Datasheet
Datasheet P-010xx.P - P-056xx.P
Documentation
User Manual PZ138
PICA Piezo Actuators: P-007, P-010, P-016, P-025, P-035, P-045, P-050, P-056 PICA Stack/Power/Thru Customized Products
Short Instructions PZ257EK
PICA Piezo Actuators up to 1000 V: P-0xx, P-1xx, P-405, PICA Stack, PICA Power, PICA Thru, PICA Shear, Picoactuator®
Quote / Order
Ask for a free quote on quantities required, prices, and lead times or describe your desired modification.
Custom designs or different specifications on request.
Comment obtenir une offre de prix
Contactez un ingénieur!
Quickly receive an answer to your question by email or phone from a local PI sales engineer.











