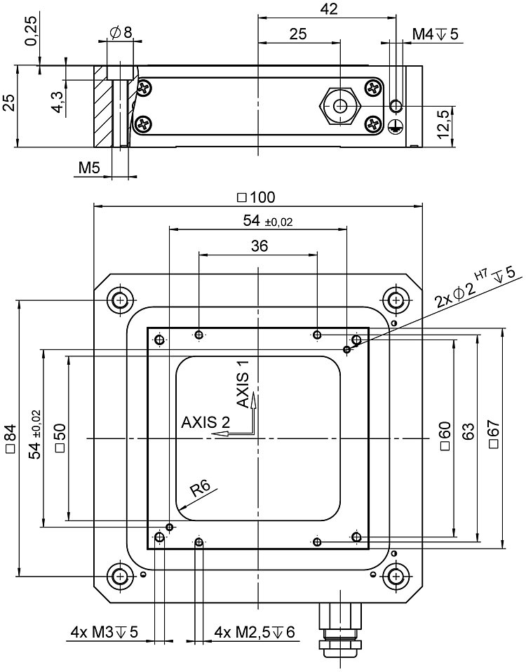
XY piezo nanopositioner; 100 µm × 100 µm travel range (X × Y); capacitive, indirect position measuring; D-sub 25W3 (m); 1.5 m cable length
P-733.2 XY Piezo Nanopositioner
High-Precision XY Scanner with Aperture
- Travel ranges to 100 µm × 100 µm in X and Y
- Resolution to 0.1 nm due to capacitive sensors
- High velocity versions with direct drive
- Vacuum-compatible and nonmagnetic versions on request
- Parallel kinematics for higher accuracy and dynamics
- Parallel metrology for active compensation of guiding errors
- Zero-play, high-precision flexure guide system
- Clear aperture 50 mm × 50 mm for transmitted-light applications
Application fields
- Scanning microscopy
- Confocal microscopy
- Mask/wafer positioning
- Surface measuring technology
- Nanoimprinting
- Micromanipulation
- Image processing / stabilization
- Nanopositioning with high flatness and straightness of motion
Outstanding lifetime thanks to PICMA® piezo actuators
The PICMA® piezo actuators are all-ceramic insulated. This protects them against humidity and failure resulting from an increase in leakage current. PICMA® actuators offer an up to ten times longer lifetime than conventional polymer-insulated actuators. 100 billion cycles without a single failure are proven.
Subnanometer resolution with capacitive sensors
Capacitive sensors measure with subnanometer resolution without contacting. They guarantee excellent linearity of motion, long-term stability, and a bandwidth in the kHz range.
High guiding accuracy due to zero-play flexure guides
Flexure guides are free of maintenance, friction, and wear, and do not require lubrication. Their stiffness allows high load capacity and they are insensitive to shock and vibration. They work in a wide temperature range.
Automatic configuration and fast component exchange
Mechanics and controllers can be combined as required and exchanged quickly. All servo and linearization parameters are stored in the ID chip of the D-sub connector of the mechanics. The autocalibration function of the digital controllers uses this data each time the controller is switched on.
Maximum accuracy due to direct position measuring
Motion is measured directly at the motion platform without any influence from the drive or guide elements. This allows optimum repeatability, outstanding stability, and stiff, fast-responding control.
High dynamics multi-axis operation due to parallel kinematics
In a parallel-kinematic multi-axis system, all actuators act on a common platform. The minimum mass inertia and the identical design of all axes allow fast, dynamic, and nevertheless precision motion.
Specifications
Datasheet P-733.2
Specifications
| Motion | P-733.2CD | P-733.2CL | P-733.2DD | Tolerance |
|---|---|---|---|---|
| Active axes | X ǀ Y | X ǀ Y | X ǀ Y | |
| Travel range in X | 100 µm | 100 µm | 30 µm | |
| Travel range in Y | 100 µm | 100 µm | 30 µm | |
| Travel range in X, open loop, at -20 to 120 V | 115 µm | 115 µm | 33 µm | +20 % / -0 % |
| Travel range in Y, open loop, at -20 to +120 V | 115 µm | 115 µm | 33 µm | +20 % / -0 % |
| Linearity error in X | 0.03 % | 0.03 % | 0.03 % | typ. |
| Linearity error in Y | 0.03 % | 0.03 % | 0.03 % | typ. |
| Angular error E_AY (pitch) | ± 3 µrad | ± 3 µrad | ± 5 µrad | typ. |
| Angular error E_BX (pitch) | ± 3 µrad | ± 3 µrad | ± 5 µrad | typ. |
| Angular error E_CX (yaw) | ± 10 µrad | ± 10 µrad | ± 10 µrad | typ. |
| Angular error E_CY (yaw) | ± 10 µrad | ± 10 µrad | ± 10 µrad | typ. |
| Positioning | P-733.2CD | P-733.2CL | P-733.2DD | Tolerance |
| Unidirectional repeatability in X | ± 2 nm | ± 2 nm | ± 2 nm | typ. |
| Unidirectional repeatability in Y | ± 2 nm | ± 2 nm | ± 2 nm | typ. |
| Resolution in X, open loop | 0.2 nm | 0.2 nm | 0.1 nm | typ. |
| Resolution in Y, open loop | 0.2 nm | 0.2 nm | 0.1 nm | typ. |
| Integrated sensor | Capacitive, indirect position measuring | Capacitive, indirect position measuring | Capacitive, indirect position measuring | |
| System resolution in X | 0.3 nm | 0.3 nm | 0.1 nm | typ. |
| System resolution in Y | 0.3 nm | 0.3 nm | 0.1 nm | typ. |
| Drive properties | P-733.2CD | P-733.2CL | P-733.2DD | Tolerance |
| Drive type | PICMA® | PICMA® | PICMA® | |
| Electrical capacitance in X | 6 µF | 6 µF | 6.2 µF | ±20 % |
| Electrical capacitance in Y | 6 µF | 6 µF | 6.2 µF | ±20 % |
| Mechanical properties | P-733.2CD | P-733.2CL | P-733.2DD | Tolerance |
| Stiffness in X | 1.5 N/µm | 1.5 N/µm | 20 N/µm | ±20 % |
| Stiffness in Y | 1.5 N/µm | 1.5 N/µm | 20 N/µm | ±20 % |
| Resonant frequency in X, unloaded | 500 Hz | 500 Hz | 2230 Hz | ±20 % |
| Resonant frequency in X, under load with 120 g | 370 Hz | 370 Hz | — | ±20 % |
| Resonant frequency in X, under load with 200 g | 340 Hz | 340 Hz | 1550 Hz | ±20 % |
| Resonant frequency in Y, unloaded | 500 Hz | 500 Hz | 2230 Hz | ±20 % |
| Resonant frequency in Y, under load with 120 g | 370 Hz | 370 Hz | — | ±20 % |
| Resonant frequency in Y, under load with 200 g | 340 Hz | 340 Hz | 1550 Hz | ±20 % |
| Permissible push force in X | 50 N | 50 N | 50 N | max. |
| Permissible push force in Y | 50 N | 50 N | 50 N | max. |
| Permissible push force in Z | 50 N | 50 N | 50 N | max. |
| Permissible pull force in X | 20 N | 20 N | 20 N | max. |
| Permissible pull force in Y | 20 N | 20 N | 20 N | max. |
| Permissible pull force in Z | 20 N | 20 N | 20 N | max. |
| Overall mass | 580 g | 580 g | 580 g | ±5 % |
| Material | Aluminum | Aluminum | Aluminum | |
| Miscellaneous | P-733.2CD | P-733.2CL | P-733.2DD | Tolerance |
| Operating temperature range | -20 to 80 °C | -20 to 80 °C | -20 to 80 °C | |
| Connector | D-sub 25W3 (m) | LEMO FFS.00.250.CTCE24 | D-sub 25W3 (m) | |
| Cable length | 1.5 m | 1.5 m | 1.5 m | ±10 mm |
| Recommended controllers/drivers | E-503, E-505, E-610, E-621, E-625, E-713, E-727 | E-503, E-505, E-610, E-621, E-625, E-713, E-727 | E-503, E-505, E-610, E-621, E-625, E-713, E-727 | |
| Sensor connector | — | LEMO FFA.00.250.CTLC31 | — |
P-733.2DD: Linearity error with digital controller. With analog controllers, the typical linearity error for direct drive positioners can be up to 0.1 %.
The resolution of the system is limited only by the noise of the amplifier and the measuring technology because PI piezo nanopositioning systems are free of friction.
At PI, technical data is specified at 22 ±3 °C. Unless otherwise stated, the values are for unloaded conditions. Some properties are interdependent. The designation "typ." indicates a statistical average for a property; it does not indicate a guaranteed value for every product supplied. During the final inspection of a product, only selected properties are analyzed, not all. Please note that some product characteristics may deteriorate with increasing operating time.
Downloads
Product Note
Product Change Notification Piezo Actuator Driven Products
Datasheet
Datasheet P-733.2
Documentation
User Manual PZ103
P-733, P-734 Piezo Nanopositioning Systems with Capacitive Sensors
Short Instructions PZ240
Piezo Positioning Systems: P-5xx / P-6xx / P-7xx
3D Models
P-733 3-D model
Brochure
Microscope Stage Configurator
Sample Stages and Holders for Inverted Microscopes
Ask for a free quote on quantities required, prices, and lead times or describe your desired modification.
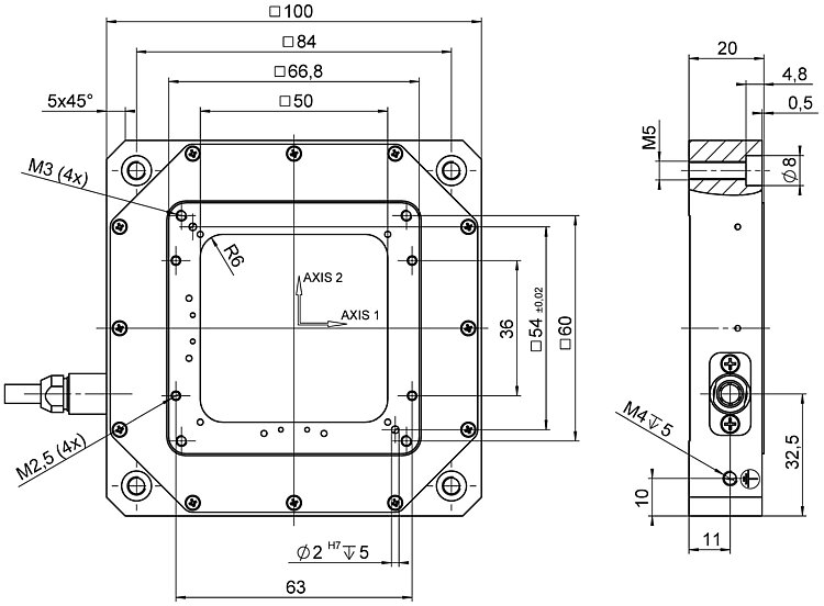
XY piezo nanopositioner; 100 µm × 100 µm travel range (X × Y); capacitive, indirect position measuring; LEMO connectors; 1.5 m cable length
XY piezo nanopositioner; 30 µm × 30 µm travel range (X × Y); direct drive; capacitive, indirect position measuring; D-sub 25W3 (m); 1.5 m cable length
Comment obtenir une offre de prix
Contactez un ingénieur!
Quickly receive an answer to your question by email or phone from a local PI sales engineer.
Technologie

Technologie PICMA®
Fiabilité et durée de vie étendues grâce au procédé de fabrication breveté pour les actionneurs multicouches.

Systèmes à structure déformable
Flexure guides from PI have proven their worth in nanopositioning. They guide the piezo actuator and ensure a straight motion without tilting or lateral offset.

Contrôleurs numériques
Digital technology opens up possibilities for improving performance in control engineering which do not exist with conventional analog technology.

Capteurs capacitifs
Les capteurs capacitifs sont le système de métrologie de choix pour les applications de nanopositionnement les plus exigeantes.

Systèmes de positionnement piézo avec cinématique parallèle
In a parallel-kinematic, multi-axis system, all actuators act directly on a single moving platform.

Vide
Manipulation précautionneuse, locaux adéquats : PI dispose non seulement de l'équipement nécessaire pour la qualification de matériaux, de composants et de produits finis mais s'appuie aussi sur de nombreuses années d'expérience en matière de systèmes de positionnement sous vide et ultra vide.

























