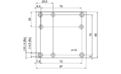
Linear stage; DC motor with ActiveDrive; 25 mm travel range; 200 N load capacity; 10 mm/s maximum velocity; trapezoidal-threaded spindle; incremental rotary encoder, 4000 counts/rev sensor resolution, A/B quadrature, RS-422
M-403 Linear Stage
Inexpensive, Reliable, Precise
- Inexpensive, cost-optimized design for precise positioning
- Travel ranges from 25 to 200 mm
- Resolution to 0.018 µm
- Minimum incremental motion to 0.2 µm
- Preloaded precision threaded spindle
- Higher loads with M-414
Specifications
Datasheet M-403
Specifications
| Motion | M-403.1PD | M-403.2PD | M-403.4PD | M-403.6PD | M-403.8PD | M-403.1DG | M-403.2DG | M-403.4DG | M-403.6DG | M-403.8DG | M-403.12S | M-403.22S | M-403.42S | M-403.62S | M-403.82S | Tolerance |
|---|---|---|---|---|---|---|---|---|---|---|---|---|---|---|---|---|
| Active axes | X | X | X | X | X | X | X | X | X | X | X | X | X | X | X | |
| Travel range in X | 25 mm | 50 mm | 100 mm | 150 mm | 200 mm | 25 mm | 50 mm | 100 mm | 150 mm | 200 mm | 25 mm | 50 mm | 100 mm | 150 mm | 200 mm | |
| Maximum velocity in X, unloaded | 10 mm/s | 10 mm/s | 10 mm/s | 10 mm/s | 10 mm/s | 2.5 mm/s | 2.5 mm/s | 2.5 mm/s | 2.5 mm/s | 2.5 mm/s | 3 mm/s | 3 mm/s | 3 mm/s | 3 mm/s | 3 mm/s | |
| Angular error around Y (pitch) | ± 200 µrad | ± 200 µrad | ± 200 µrad | ± 200 µrad | ± 200 µrad | ± 200 µrad | ± 200 µrad | ± 200 µrad | ± 200 µrad | ± 200 µrad | ± 200 µrad | ± 200 µrad | ± 200 µrad | ± 200 µrad | ± 200 µrad | typ. |
| Angular error around Z (yaw) | ± 200 µrad | ± 200 µrad | ± 200 µrad | ± 200 µrad | ± 200 µrad | ± 200 µrad | ± 200 µrad | ± 200 µrad | ± 200 µrad | ± 200 µrad | ± 200 µrad | ± 200 µrad | ± 200 µrad | ± 200 µrad | ± 200 µrad | typ. |
| Positioning | M-403.1PD | M-403.2PD | M-403.4PD | M-403.6PD | M-403.8PD | M-403.1DG | M-403.2DG | M-403.4DG | M-403.6DG | M-403.8DG | M-403.12S | M-403.22S | M-403.42S | M-403.62S | M-403.82S | Tolerance |
| Minimum incremental motion in X | 0.25 µm | 0.25 µm | 0.25 µm | 0.25 µm | 0.25 µm | 0.2 µm | 0.2 µm | 0.2 µm | 0.2 µm | 0.2 µm | 0.2 µm | 0.2 µm | 0.2 µm | 0.2 µm | 0.2 µm | typ. |
| Unidirectional repeatability in X | ± 0.5 µm | ± 0.5 µm | ± 0.5 µm | ± 0.5 µm | ± 0.5 µm | ± 0.5 µm | ± 0.5 µm | ± 0.5 µm | ± 0.5 µm | ± 0.5 µm | ± 0.5 µm | ± 0.5 µm | ± 0.5 µm | ± 0.5 µm | ± 0.5 µm | typ. |
| Bidirectional repeatability in X | 8 µm | 8 µm | 8 µm | 8 µm | 8 µm | 12 µm | 12 µm | 12 µm | 12 µm | 12 µm | 8 µm | 8 µm | 8 µm | 8 µm | 8 µm | typ. |
| Backlash in X | 6 µm | 6 µm | 6 µm | 6 µm | 6 µm | 10 µm | 10 µm | 10 µm | 10 µm | 10 µm | 6 µm | 6 µm | 6 µm | 6 µm | 6 µm | typ. |
| Reference switch | Hall effect | Hall effect | Hall effect | Hall effect | Hall effect | Hall effect | Hall effect | Hall effect | Hall effect | Hall effect | Hall effect | Hall effect | Hall effect | Hall effect | Hall effect | |
| Reference switch repeatability | 1 µm | 1 µm | 1 µm | 1 µm | 1 µm | 1 µm | 1 µm | 1 µm | 1 µm | 1 µm | 1 µm | 1 µm | 1 µm | 1 µm | 1 µm | |
| Limit switches | Hall effect | Hall effect | Hall effect | Hall effect | Hall effect | Hall effect | Hall effect | Hall effect | Hall effect | Hall effect | Hall effect | Hall effect | Hall effect | Hall effect | Hall effect | |
| Integrated sensor | Incremental rotary encoder | Incremental rotary encoder | Incremental rotary encoder | Incremental rotary encoder | Incremental rotary encoder | Incremental rotary encoder | Incremental rotary encoder | Incremental rotary encoder | Incremental rotary encoder | Incremental rotary encoder | — | — | — | — | — | |
| Sensor signal | A/B quadrature, RS-422 | A/B quadrature, RS-422 | A/B quadrature, RS-422 | A/B quadrature, RS-422 | A/B quadrature, RS-422 | A/B quadrature, RS-422 | A/B quadrature, RS-422 | A/B quadrature, RS-422 | A/B quadrature, RS-422 | A/B quadrature, RS-422 | — | — | — | — | — | |
| Sensor resolution | 4000 Cts./rev. | 4000 Cts./rev. | 4000 Cts./rev. | 4000 Cts./rev. | 4000 Cts./rev. | 2000 Cts./rev. | 2000 Cts./rev. | 2000 Cts./rev. | 2000 Cts./rev. | 2000 Cts./rev. | — | — | — | — | — | |
| Drive Properties | M-403.1PD | M-403.2PD | M-403.4PD | M-403.6PD | M-403.8PD | M-403.1DG | M-403.2DG | M-403.4DG | M-403.6DG | M-403.8DG | M-403.12S | M-403.22S | M-403.42S | M-403.62S | M-403.82S | Tolerance |
| Drive type | DC motor with ActiveDrive | DC motor with ActiveDrive | DC motor with ActiveDrive | DC motor with ActiveDrive | DC motor with ActiveDrive | DC gear motor | DC gear motor | DC gear motor | DC gear motor | DC gear motor | 2-phase stepper motor | 2-phase stepper motor | 2-phase stepper motor | 2-phase stepper motor | 2-phase stepper motor | |
| Nominal voltage | 24 V | 24 V | 24 V | 24 V | 24 V | 12 V | 12 V | 12 V | 12 V | 12 V | 24 V | 24 V | 24 V | 24 V | 24 V | |
| Nominal current, RMS | — | — | — | — | — | 0.43 A | 0.43 A | 0.43 A | 0.43 A | 0.43 A | 1.2 A | 1.2 A | 1.2 A | 1.2 A | 1.2 A | typ. |
| Motor resolution | — | — | — | — | — | — | — | — | — | — | 400 Full steps/rev. | 400 Full steps/rev. | 400 Full steps/rev. | 400 Full steps/rev. | 400 Full steps/rev. | |
| Drive force in X | 50 N | 50 N | 50 N | 50 N | 50 N | 50 N | 50 N | 50 N | 50 N | 50 N | 50 N | 50 N | 50 N | 50 N | 50 N | typ. |
| Resistance phase-phase | — | — | — | — | — | 9.6 Ω | 9.6 Ω | 9.6 Ω | 9.6 Ω | 9.6 Ω | 2.6 Ω | 2.6 Ω | 2.6 Ω | 2.6 Ω | 2.6 Ω | typ. |
| Inductance phase-phase | — | — | — | — | — | 0.44 mH | 0.44 mH | 0.44 mH | 0.44 mH | 0.44 mH | 1.9 mH | 1.9 mH | 1.9 mH | 1.9 mH | 1.9 mH | |
| Short-term maximum operating frequency | — | — | — | — | — | — | — | — | — | — | — | — | — | — | — | |
| Mechanical Properties | M-403.1PD | M-403.2PD | M-403.4PD | M-403.6PD | M-403.8PD | M-403.1DG | M-403.2DG | M-403.4DG | M-403.6DG | M-403.8DG | M-403.12S | M-403.22S | M-403.42S | M-403.62S | M-403.82S | Tolerance |
| Stiffness in X | 3.5 N/µm | 3.5 N/µm | 3.5 N/µm | 3.5 N/µm | 3.5 N/µm | 3.5 N/µm | 3.5 N/µm | 3.5 N/µm | 3.5 N/µm | 3.5 N/µm | 3.5 N/µm | 3.5 N/µm | 3.5 N/µm | 3.5 N/µm | 3.5 N/µm | |
| Permissible push force in Y | 100 N | 100 N | 100 N | 100 N | 100 N | 100 N | 100 N | 100 N | 100 N | 100 N | 100 N | 100 N | 100 N | 100 N | 100 N | max. |
| Permissible push force in Z | 200 N | 200 N | 200 N | 200 N | 200 N | 200 N | 200 N | 200 N | 200 N | 200 N | 200 N | 200 N | 200 N | 200 N | 200 N | max. |
| Permissible torque in θX | 6 N·m | 6 N·m | 6 N·m | 6 N·m | 6 N·m | 6 N·m | 6 N·m | 6 N·m | 6 N·m | 6 N·m | 6 N·m | 6 N·m | 6 N·m | 6 N·m | 6 N·m | max. |
| Permissible torque in θY | 4 N·m | 4 N·m | 4 N·m | 4 N·m | 4 N·m | 4 N·m | 4 N·m | 4 N·m | 4 N·m | 4 N·m | 4 N·m | 4 N·m | 4 N·m | 4 N·m | 4 N·m | max. |
| Permissible torque in θZ | 4 N·m | 4 N·m | 4 N·m | 4 N·m | 4 N·m | 4 N·m | 4 N·m | 4 N·m | 4 N·m | 4 N·m | 4 N·m | 4 N·m | 4 N·m | 4 N·m | 4 N·m | max. |
| Moved mass in X, unloaded | 240 g | 240 g | 240 g | 240 g | 240 g | 240 g | 240 g | 240 g | 240 g | 240 g | 240 g | 240 g | 240 g | 240 g | 240 g | |
| Drive screw type | Trapezoidal drive screw | Trapezoidal drive screw | Trapezoidal drive screw | Trapezoidal drive screw | Trapezoidal drive screw | Trapezoidal drive screw | Trapezoidal drive screw | Trapezoidal drive screw | Trapezoidal drive screw | Trapezoidal drive screw | Trapezoidal drive screw | Trapezoidal drive screw | Trapezoidal drive screw | Trapezoidal drive screw | Trapezoidal drive screw | |
| Drive screw pitch | 1 mm | 1 mm | 1 mm | 1 mm | 1 mm | 1 mm | 1 mm | 1 mm | 1 mm | 1 mm | 1 mm | 1 mm | 1 mm | 1 mm | 1 mm | |
| Gear ratio i | — | — | — | — | — | 28,444 | 28,444 | 28,444 | 28,444 | 28,444 | — | — | — | — | — | |
| Overall mass | 1700 g | 1800 g | 2100 g | 2200 g | 2500 g | 1700 g | 1800 g | 2100 g | 2200 g | 2500 g | 1700 g | 1800 g | 2100 g | 2200 g | 2500 g | |
| Material | Anodized aluminum | Anodized aluminum | Anodized aluminum | Anodized aluminum | Anodized aluminum | Anodized aluminum | Anodized aluminum | Anodized aluminum | Anodized aluminum | Anodized aluminum | Anodized aluminum | Anodized aluminum | Anodized aluminum | Anodized aluminum | Anodized aluminum | |
| Miscellaneous | M-403.1PD | M-403.2PD | M-403.4PD | M-403.6PD | M-403.8PD | M-403.1DG | M-403.2DG | M-403.4DG | M-403.6DG | M-403.8DG | M-403.12S | M-403.22S | M-403.42S | M-403.62S | M-403.82S | Tolerance |
| Operating temperature range | -20 to 65 °C | -20 to 65 °C | -20 to 65 °C | -20 to 65 °C | -20 to 65 °C | -20 to 65 °C | -20 to 65 °C | -20 to 65 °C | -20 to 65 °C | -20 to 65 °C | -20 to 65 °C | -20 to 65 °C | -20 to 65 °C | -20 to 65 °C | -20 to 65 °C | |
| Connector | D-sub 15 (m) | D-sub 15 (m) | D-sub 15 (m) | D-sub 15 (m) | D-sub 15 (m) | D-sub 15 (m) | D-sub 15 (m) | D-sub 15 (m) | D-sub 15 (m) | D-sub 15 (m) | D-sub 15 (m) | D-sub 15 (m) | D-sub 15 (m) | D-sub 15 (m) | D-sub 15 (m) | |
| Connector for supply voltage | M8 4-pole (m) | M8 4-pole (m) | M8 4-pole (m) | M8 4-pole (m) | M8 4-pole (m) | — | — | — | — | — | — | — | — | — | — | |
| Recommended controllers / drivers | C-863 C-884 G-901 G-910 ACS modular controller | C-863 C-884 G-901 G-910 ACS modular controller | C-863 C-884 G-901 G-910 ACS modular controller | C-863 C-884 G-901 G-910 ACS modular controller | C-863 C-884 G-901 G-910 ACS modular controller | C-863 C-884 G-901 G-910 ACS modular controller | C-863 C-884 G-901 G-910 ACS modular controller | C-863 C-884 G-901 G-910 ACS modular controller | C-863 C-884 G-901 G-910 ACS modular controller | C-863 C-884 G-901 G-910 ACS modular controller | C-663 G-901 G-910 ACS modular controller | C-663 G-901 G-910 ACS modular controller | C-663 G-901 G-910 ACS modular controller | C-663 G-901 G-910 ACS modular controller | C-663 G-901 G-910 ACS modular controller |
Note on the velocity for M-403.xPD: Maximum recommended velocity
Note on the sensor resolution: Quadruple evaluated
Note on the permissible push force in Z: Maximum possible normal load capacity, centered, vertical load (linear stage installed horizontally)
Note on the motor resolution and drive type for M-403.x2S: Maximum 0.85 A/phase; 400 full steps/rev., motor resolution with C-663 stepper motor controller
At PI, technical data is specified at 22 ±3 °C. Unless otherwise stated, the values are for unloaded conditions. Some properties are interdependent. The designation "typ." indicates a statistical average for a property; it does not indicate a guaranteed value for every product supplied. During the final inspection of a product, only selected properties are analyzed, not all. Please note that some product characteristics may deteriorate with increasing operating time.
Downloads
Product Note
Product Change Notification M-Portfolio-Streamlining Part-3
M-313.80, M-331.1MS, M-332.5MS, M-333.1MS, M-333.2MS, M-403.1VG, M-403.1VP, M-403.2VG, M-403.2VP, M-403.4VG, M-403.4VP, M-403.6VG, M-403.6VP, M-403.8VG, M-403.8VP, M-413.1VG, M-413.1VP, M-413.2VG, M-413.2VP, M-413.3VG, M-413.3VP, M-414.1VG, M-414.1VP, M-414.2VG, M-414.2VP, M-414.3VG, M-414.3VP, M-414.500, M-451.01, M-451.12S, M-451.1DG, M-451.1PD, M-500.18V, M-500.90, M-505.4DG, M-511.2S1, M-521.2S1, M-531.2S1, M-605.11, M-619.00, M-620.00, M-621.00, M-622.00, M-623.00, M-624.10, M-642.00, M-653.00, M-655.00
Datasheet
Datasheet M-403
Documentation
Short Instructions MP119EK
Positioners with Electric Motors: M-06x, M-11x, M-12x, M-4xx, M-5xx
PI Mounting Adapters for Micropositioning
Overview of all possible combinations of PI linear, rotary and tilt stages
User Manual MP73
M-403 Linear Stage
3D Models
M-403 3-D model
Ask for a free quote on quantities required, prices, and lead times or describe your desired modification.
Linear stage; DC motor with ActiveDrive; 50 mm travel range; 200 N load capacity; 10 mm/s maximum velocity; trapezoidal-threaded spindle; incremental rotary encoder, 4000 counts/rev sensor resolution, A/B quadrature, RS-422
Linear stage; DC motor with ActiveDrive; 100 mm travel range; 200 N load capacity; 10 mm/s maximum velocity; trapezoidal-threaded spindle; incremental rotary encoder, 4000 counts/rev sensor resolution, A/B quadrature, RS-422
Linear stage; DC motor with ActiveDrive; 150 mm travel range; 200 N load capacity; 10 mm/s maximum velocity; trapezoidal-threaded spindle; incremental rotary encoder, 4000 counts/rev sensor resolution, A/B quadrature, RS-422
Linear stage; DC motor with ActiveDrive; 200 mm travel range; 200 N load capacity; 10 mm/s maximum velocity; trapezoidal-threaded spindle; incremental rotary encoder, 4000 counts/rev sensor resolution, A/B quadrature, RS-422
Linear stage; DC gear motor; 25 mm travel range; 200 N load capacity; 2.5 mm/s maximum velocity; trapezoidal-threaded spindle; incremental rotary encoder, 2000 counts/rev sensor resolution, A/B quadrature, RS-422
Linear stage; DC gear motor; 50 mm travel range; 200 N load capacity; 2.5 mm/s maximum velocity; trapezoidal-threaded spindle; incremental rotary encoder, 2000 counts/rev sensor resolution, A/B quadrature, RS-422
Linear stage; DC gear motor; 100 mm travel range; 200 N load capacity; 2.5 mm/s maximum velocity; trapezoidal-threaded spindle; incremental rotary encoder, 2000 counts/rev sensor resolution, A/B quadrature, RS-422
Linear stage; DC gear motor; 150 mm travel range; 200 N load capacity; 2.5 mm/s maximum velocity; trapezoidal-threaded spindle; incremental rotary encoder, 2000 counts/rev sensor resolution, A/B quadrature, RS-422
Linear stage; DC gear motor; 200 mm travel range; 200 N load capacity; 2.5 mm/s maximum velocity; trapezoidal-threaded spindle; incremental rotary encoder, 2000 counts/rev sensor resolution, A/B quadrature, RS-422
Linear stage; 2-phase stepper motor; 25 mm travel range; 200 N load capacity; 3 mm/s maximum velocity; trapezoidal-threaded spindle
Linear stage; 2-phase stepper motor; 50 mm travel range; 200 N load capacity; 3 mm/s maximum velocity; trapezoidal-threaded spindle
Linear stage; 2-phase stepper motor; 100 mm travel range; 200 N load capacity; 3 mm/s maximum velocity; trapezoidal-threaded spindle
Linear stage; 2-phase stepper motor; 150 mm travel range; 200 N load capacity; 3 mm/s maximum velocity; trapezoidal-threaded spindle
Linear stage; 2-phase stepper motor; 200 mm travel range; 200 N load capacity; 3 mm/s maximum velocity; trapezoidal-threaded spindle
Comment obtenir une offre de prix
Contactez un ingénieur!
Quickly receive an answer to your question by email or phone from a local PI sales engineer.














