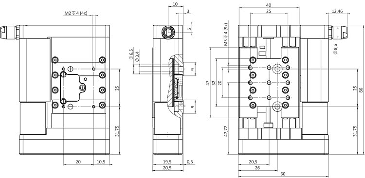
Microtranslation stage; DC motor; 25 mm travel range; 50 N load capacity; 20 mm/s maximum velocity; ball screw; incremental linear encoder, 100 nm sensor resolution, A/B quadrature, RS-422; 0.5 m cable length
M-122.2DD1 Microtranslation Stage
Compact Linear Stage with Direct Position Measuring
- Travel range 25 mm
- Integrated linear encoder for maximum accuracy with 0.1 µm resolution
- Minimum incremental motion 0.2 µm
- Max. Velocity 20 mm/s
- Recirculating ball screw provides high velocity and long lifetime
Highly accurate position measuring with incremental linear encoder
Noncontact optical linear encoders measure the position directly at the platform with the greatest accuracy. Nonlinearity, mechanical play or elastic deformation have no influence on the measurement.
Application fields
Optical alignment. Precision automation.
Specifications
Datasheet M-122.2DD1
Specifications
| Motion | M-122.2DD1 | Tolerance |
|---|---|---|
| Active axes | X | |
| Travel range in X | 25 mm | |
| Maximum velocity in X, unloaded | 20 mm/s | |
| Angular error around Y (pitch) | ± 150 µrad | typ. |
| Angular error around Z (yaw) | ± 150 µrad | typ. |
| Positioning | M-122.2DD1 | Tolerance |
| Minimum incremental motion in X | 0.2 µm | typ. |
| Unidirectional repeatability in X | ± 0.075 µm | typ. |
| Bidirectional repeatability in X | 0.4 µm | max. |
| Backlash in X | 0.2 µm | typ. |
| Reference switch | Hall effect | |
| Reference switch repeatability | 1 µm | |
| Limit switches | Hall effect | |
| Integrated sensor | Incremental linear encoder | |
| Sensor signal | A/B quadrature, RS-422 | |
| Sensor resolution | 100 nm | |
| Drive Properties | M-122.2DD1 | Tolerance |
| Drive type | DC motor | |
| Nominal voltage | 12 V | |
| Nominal current, RMS | 0.188 A | typ. |
| Peak current, RMS | 0.45 A | typ. |
| Maximum power consumption | 2.25 W | |
| Drive force in positive direction of motion in X | 20 N | typ. |
| Drive force in negative direction of motion in X | 20 N | typ. |
| Torque constant | 0.0136 N·m/A | typ. |
| Time constant | 9 ms | |
| Resistance phase-phase | 13.8 Ω | typ. |
| Inductance phase-phase | 0.32 mH | |
| Number of pole pairs | 1 | |
| Mechanical Properties | M-122.2DD1 | Tolerance |
| Stiffness in X | 0.25 N/µm | |
| Permissible push force in Y | 25 N | max. |
| Permissible push force in Z | 50 N | max. |
| Permissible torque in θX | 0.15 N·m | max. |
| Permissible torque in θY | 0.15 N·m | max. |
| Permissible torque in θZ | 0.15 N·m | max. |
| Moved mass in X, unloaded | 50 g | |
| Drive screw type | Ball screw | |
| Drive screw pitch | 0.5 mm | |
| Guide | Ball guide | |
| Overall mass | 220 g | |
| Material | Aluminum, steel | |
| Miscellaneous | M-122.2DD1 | Tolerance |
| Operating temperature range | 10 to 50 °C | |
| Connector | D-sub 15 (m) | |
| Cable length | 0.5 m | |
| Minimum bend radius cable, one-time bending | 13.80 mm | |
| Minimum bend radius cable, repeated bending | 32.20 mm | |
| Recommended controllers/drivers | C-863 C-884 |
At PI, technical data is specified at 22 ±3 °C. Unless otherwise stated, the values are for unloaded conditions. Some properties are interdependent. The designation "typ." indicates a statistical average for a property; it does not indicate a guaranteed value for every product supplied. During the final inspection of a product, only selected properties are analyzed, not all. Please note that some product characteristics may deteriorate with increasing operating time.
Downloads
Datasheet
Datasheet M-122.2DD1
Documentation
Short Instructions MP119EK
Positioners with Electric Motors: M-06x, M-11x, M-12x, M-4xx, M-5xx
PI Mounting Adapters for Micropositioning
Overview of all possible combinations of PI linear, rotary and tilt stages
User Manual MP61
M-122 Micropositioning Stage
3D Models
M-122.2DD1 3-D model
Animated 3-D Models
Animated 3-D Model M-122.2DD1
Ask for a free quote on quantities required, prices, and lead times or describe your desired modification.
Comment obtenir une offre de prix
Contactez un ingénieur!
Quickly receive an answer to your question by email or phone from a local PI sales engineer.


















