Fast piezo tip/tilt platform; 2 mrad × 2 mrad rotational angle (θX × θY); SGS, indirect position measuring; D-sub 37 (m) connector; 2 m cable length
S-330 Fast Piezo Tip/Tilt Platform
Dynamic, with Large Deflection Angles, for Mirrors and Optics
- Mechanical tip/tilt angle to 10 mrad
- High resonant frequencies to 1.6 kHz (1" mirror) for dynamic motion and fast step-and-settle
- Resolution to 20 nrad
- Excellent position stability
- Sub-ms response time
- For mirrors with a diameter up to 50 mm







Application fields
- Image processing / stabilization
- Optical trapping
- Laser scanning / beam steering
- Laser tuning
- Optical filters / switches
- Optics
- Beam stabilization
Outstanding lifetime thanks to PICMA® piezo actuators
The PICMA® piezo actuators are all-ceramic insulated. This protects them against humidity and failure resulting from an increase in leakage current. PICMA® actuators offer an up to ten times longer lifetime than conventional polymer-insulated actuators. 100 billion cycles without a single failure are proven.
High guiding accuracy due to zero-play flexure guides
Flexure guides are free of maintenance, friction, and wear, and do not require lubrication. Their stiffness allows high load capacity and they are insensitive to shock and vibration. They work in a wide temperature range.
High dynamics multi-axis operation due to parallel kinematics
In a parallel-kinematic multi-axis system, all actuators act on a common platform. The minimum mass inertia and the identical design of all axes allow fast, dynamic, and nevertheless precision motion.
Specifications
Datasheet S-330
Specifications
| Motion | S-330.2SH | S-330.2SL | S-330.4SH | S-330.4SL | S-330.8SH | S-330.8SL | Tolerance |
|---|---|---|---|---|---|---|---|
| Active axes | θX ǀ θY | θX ǀ θY | θX ǀ θY | θX ǀ θY | θX ǀ θY | θX ǀ θY | |
| Rotation range in θX | 2 mrad | 2 mrad | 5 mrad | 5 mrad | 10 mrad | 10 mrad | |
| Rotation range in θY | 2 mrad | 2 mrad | 5 mrad | 5 mrad | 10 mrad | 10 mrad | |
| Rotation range in θX, open loop | 3.5 mrad | 3.5 mrad | 7 mrad | 7 mrad | 15 mrad | 15 mrad | ±20 % |
| Rotation range in θY, open loop | 3.5 mrad | 3.5 mrad | 7 mrad | 7 mrad | 15 mrad | 15 mrad | ±20 % |
| Linearity error in θX | 0.05 % | 0.05 % | 0.1 % | 0.1 % | 0.1 % | 0.1 % | typ. |
| Linearity error in θY | 0.05 % | 0.05 % | 0.1 % | 0.1 % | 0.1 % | 0.1 % | typ. |
| Positioning | S-330.2SH | S-330.2SL | S-330.4SH | S-330.4SL | S-330.8SH | S-330.8SL | Tolerance |
| Unidirectional repeatability in θX | ± 0.6 µrad | ± 0.6 µrad | ± 0.8 µrad | ± 0.8 µrad | ± 1.5 µrad | ± 1.5 µrad | typ. |
| Unidirectional repeatability in θY | ± 0.6 µrad | ± 0.6 µrad | ± 0.8 µrad | ± 0.8 µrad | ± 1.5 µrad | ± 1.5 µrad | typ. |
| Resolution in θX, open loop | 0.02 µrad | 0.02 µrad | 0.1 µrad | 0.1 µrad | 0.2 µrad | 0.2 µrad | typ. |
| Resolution in θY, open loop | 0.02 µrad | 0.02 µrad | 0.1 µrad | 0.1 µrad | 0.2 µrad | 0.2 µrad | typ. |
| Integrated sensor | SGS, indirect position measuring | SGS, indirect position measuring | SGS, indirect position measuring | SGS, indirect position measuring | SGS, indirect position measuring | SGS, indirect position measuring | |
| System resolution in θX | 0.05 µrad | 0.05 µrad | 0.25 µrad | 0.25 µrad | 0.5 µrad | 0.5 µrad | |
| System resolution in θY | 0.05 µrad | 0.05 µrad | 0.25 µrad | 0.25 µrad | 0.5 µrad | 0.5 µrad | |
| Drive Properties | S-330.2SH | S-330.2SL | S-330.4SH | S-330.4SL | S-330.8SH | S-330.8SL | Tolerance |
| Drive type | PICMA® | PICMA® | PICMA® | PICMA® | PICMA® | PICMA® | |
| Electrical capacitance in θX | 3 µF | 3 µF | 6 µF | 6 µF | 12.5 µF | 12.5 µF | ±20 % |
| Electrical capacitance in θY | 3 µF | 3 µF | 6 µF | 6 µF | 12.5 µF | 12.5 µF | ±20 % |
| Mechanical Properties | S-330.2SH | S-330.2SL | S-330.4SH | S-330.4SL | S-330.8SH | S-330.8SL | Tolerance |
| Resonant frequency in θX, unloaded | 2.4 kHz | 2.4 kHz | 2 kHz | 2 kHz | 1 kHz | 1 kHz | ±20 % |
| Resonant frequency in θX, under load with glass mirror (Ø 25 mm; thickness 8 mm) | 1.6 kHz | 1.6 kHz | 1.5 kHz | 1.5 kHz | 1 kHz | 1 kHz | ±20 % |
| Resonant frequency in θY, unloaded | 2.4 kHz | 2.4 kHz | 2 kHz | 2 kHz | 1 kHz | 1 kHz | ±20 % |
| Resonant frequency in θY, under load with glass mirror (Ø 25 mm; thickness 8 mm) | 1.6 kHz | 1.6 kHz | 1.5 kHz | 1.5 kHz | 1 kHz | 1 kHz | ±20 % |
| Moment of inertia in θX, unloaded | 1530 g·mm² | 1530 g·mm² | 1530 g·mm² | 1530 g·mm² | 1530 g·mm² | 1530 g·mm² | ±20 % |
| Moment of inertia in θY, unloaded | 1530 g·mm² | 1530 g·mm² | 1530 g·mm² | 1530 g·mm² | 1530 g·mm² | 1530 g·mm² | ±20 % |
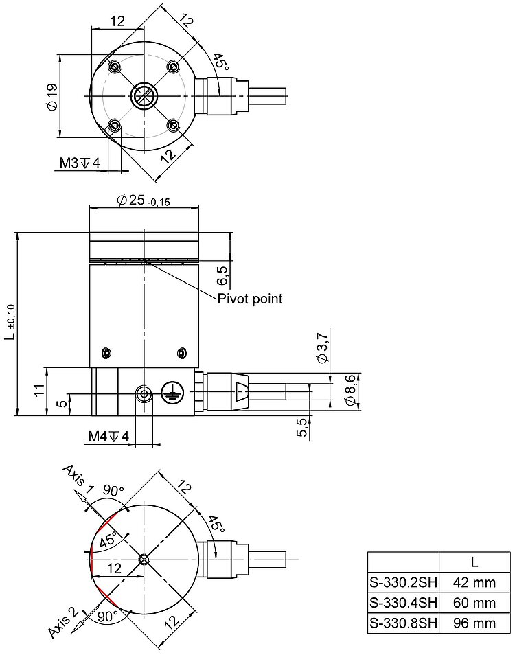
| Distance of pivot point to platform surface | 6.5 mm | 6.5 mm | 6.5 mm | 6.5 mm | 6.5 mm | 6.5 mm | ±0,1 mm |
| Guide | Flexure guide with lever amplification | Flexure guide with lever amplification | Flexure guide with lever amplification | Flexure guide with lever amplification | Flexure guide with lever amplification | Flexure guide with lever amplification | |
| Overall mass | 200 g | 200 g | 380 g | 380 g | 700 g | 700 g | ±5 % |
| Material | Housing: steel. Platform: Invar. | Housing: steel. Platform: Invar. | Housing: steel. Platform: Invar. | Housing: steel. Platform: Invar. | Housing: steel. Platform: Invar. | Housing: steel. Platform: Invar. | |
| Miscellaneous | S-330.2SH | S-330.2SL | S-330.4SH | S-330.4SL | S-330.8SH | S-330.8SL | Tolerance |
| Operating temperature range | -20 to 80 °C | -20 to 80 °C | -20 to 80 °C | -20 to 80 °C | -20 to 80 °C | -20 to 80 °C | |
| Connector | D-sub 37 (m) | LEMO FFS.00.250.CTCE24 | D-sub 37 (m) | LEMO FFS.00.250.CTCE24 | D-sub 37 (m) | LEMO FFS.00.250.CTCE24 | |
| Sensor connector | — | LEMO FFA.0S.304.CLAC32 | — | LEMO FFA.0S.304.CLAC32 | — | LEMO FFA.0S.304.CLAC32 | |
| Cable length | 2 m | 2 m | 2 m | 2 m | 2 m | 2 m | +50 / -0 mm |
| Recommended controllers / drivers | E-727 | E-509.S3 + E-505.00 (2×) + E-505.00S + E-500.00 | E-727 | E-509.S3 + E-505.00 (2×) + E-505.00S + E-500.00 | E-727 | E-509.S3 + E-505.00 (2×) + E-505.00S + E-500.00 |
Linearity error: S-330.xSH in conjunction with digital controllers.
Unidirectional repeatability: At 100 % tip/tilt angle. S-330.xSH in conjunction with digital controllers.
The resolution of the system is limited only by the noise of the amplifier and the measuring technology because PI piezo nanopositioning systems are free of friction.
Models without sensor are available on request.
At PI, technical data is specified at 22 ±3 °C. Unless otherwise stated, the values are for unloaded conditions. Some properties are interdependent. The designation "typ." indicates a statistical average for a property; it does not indicate a guaranteed value for every product supplied. During the final inspection of a product, only selected properties are analyzed, not all. Please note that some product characteristics may deteriorate with increasing operating time.
Downloads
Product Note
Product Change Notification Piezo Actuator Driven Products
Datasheet
Datasheet S-330
Documentation
Short Instructions PZ277
Piezo Tip/Tilt Platforms: S-3xx
User Manual PZ270
S-330.xSH and S-330.xSL High-Dynamics Tip/Tilt Platforms
3D Models
3-D-model S-330.4Sx
3-D-model S-330.2Sx
3-D-model S-330.8Sx
Livre Blanc
Piezo Tip/Tilt Systems
Design – Performance – Tuning
Ask for a free quote on quantities required, prices, and lead times or describe your desired modification.
Fast piezo tip/tilt platform; 2 mrad × 2 mrad rotational angle (θX × θY); SGS, indirect position measuring; LEMO connector; 2 m cable length
Fast piezo tip/tilt platform; 5 mrad × 5 mrad rotational angle (θX × θY); SGS, indirect position measuring; D-sub 37 (m) connector; 2 m cable length
Fast piezo tip/tilt platform; 5 mrad × 5 mrad rotational angle (θX × θY); SGS, indirect position measuring; LEMO connector; 2 m cable length
Fast piezo tip/tilt platform; 10 mrad × 10 mrad rotational angle (θX × θY); SGS, indirect position measuring; D-sub 37 (m) connector; 2 m cable length
Fast piezo tip/tilt platform; 10 mrad × 10 mrad rotational angle (θX × θY); SGS, indirect position measuring; LEMO connector; 2 m cable length
Comment obtenir une offre de prix
Contactez un ingénieur!
Quickly receive an answer to your question by email or phone from a local PI sales engineer.
Technologie

Technologie PICMA®
Fiabilité et durée de vie étendues grâce au procédé de fabrication breveté pour les actionneurs multicouches.

Systèmes à structure déformable
Flexure guides from PI have proven their worth in nanopositioning. They guide the piezo actuator and ensure a straight motion without tilting or lateral offset.

Systèmes de positionnement piézo avec cinématique parallèle
In a parallel-kinematic, multi-axis system, all actuators act directly on a single moving platform.














