Piezo nanopositioner; 75 µm travel range; capacitive, direct position measuring; LEMO connectors; 1 m cable length
P-750 Piezo Nanopositioner
High-Load Piezo-Driven Nanopositioner with Direct Position Measuring
- Backlash-free, high-precision flexure guides
- Load capacity 5 to 10 kg (depending on mounting orientation)
- Resolution <1 nm
- Direct metrology with capacitive sensors for highest precision
- Direct drive for fast response
- Travel range 75 µm
- Outstanding lifetime due to PICMA® piezo actuators
Outstanding lifetime due to PICMA® piezo actuators
The PICMA® piezo actuators are all-ceramic insulated. This protects them against humidity and failure resulting from an increase in leakage current. PICMA® actuators offer an up to ten times longer lifetime than conventional polymer-insulated actuators. 100 billion cycles without a single failure are proven.
Subnanometer resolution with capacitive sensors
Capacitive sensors measure with subnanometer resolution without contacting. They guarantee excellent linearity of motion, long-term stability, and a bandwidth in the kHz range.
High guiding accuracy due to zero-play flexure guides
Flexure guides are free of maintenance, friction, and wear, and do not require lubrication. Their stiffness allows high load capacity and they are insensitive to shock and vibration. They work in a wide temperature range.
Maximum accuracy due to direct position measuring
Motion is measured directly at the motion platform without any influence from the drive or guide elements. This allows optimal repeatability, outstanding stability, and stiff, fast-responding control.
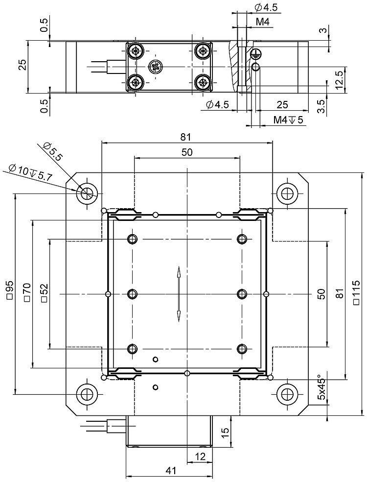
Specifications
Datasheet P-750
Specifications
| Motion | P-750.20 | Tolerance |
|---|---|---|
| Active axes | X | |
| Travel range in X | 75 µm | |
| Travel range in X, open loop, at -20 to 120 V | 75 µm | +20 % / -0 % |
| Angular error around X (roll) | ± 10 µrad | typ. |
| Angular error around Y (pitch) | ± 10 µrad | typ. |
| Positioning | P-750.20 | Tolerance |
| Resolution in X, open loop | 0.4 nm | typ. |
| Integrated sensor | Capacitive, direct position measuring | |
| System resolution in X | 1 nm | |
| Drive properties | P-750.20 | Tolerance |
| Drive type | PICMA® | |
| Electrical capacitance in X | 7.7 µF | ±20 % |
| Mechanical properties | P-750.20 | Tolerance |
| Resonant frequency in X, unloaded | 600 Hz | ±20 % |
| Resonant frequency in X, under load with 10 kg | 120 Hz | ±20 % |
| Permissible push force in X | 100 N | max. |
| Permissible push force in Z | 100 N | max. |
| Permissible pull force in X | 50 N | max. |
| Permissible pull force in Z | 100 N | max. |
| Guide | Flexure guide with lever amplification | |
| Overall mass | 2.55 kg | |
| Miscellaneous | P-750.20 | Tolerance |
| Operating temperature range | -20 to 80 °C | |
| Connector | LEMO FFS.00.250.CTCE24 | |
| Sensor connector | LEMO FFA.00.250.CTLC31 | |
| Cable length | 1 m | |
| Recommended controllers/drivers | E-500 • E-501, E-610, E-621, E-625, E-665, E-709, E-754 |
Resonant frequency in X, under load with 10 kg: With horizontally aligned motion platform.
The resolution of the system is limited only by the noise of the amplifier and the measuring technology because PI piezo nanopositioning systems are free of friction.
At PI, technical data is specified at 22 ±3 °C. Unless otherwise stated, the values are for unloaded conditions. Some properties are interdependent. The designation "typ." indicates a statistical average for a property; it does not indicate a guaranteed value for every product supplied. During the final inspection of a product, only selected properties are analyzed, not all. Please note that some product characteristics may deteriorate with increasing operating time.
Downloads
Product Note
Product Change Notification Piezo Actuator Driven Products
Datasheet
Datasheet P-750
3D Models
3-D model P-750.20
Downloads
User Manual P750UM0001EN
Ask for a free quote on quantities required, prices, and lead times or describe your desired modification.
Comment obtenir une offre de prix
Contactez un ingénieur!
Quickly receive an answer to your question by email or phone from a local PI sales engineer.














