Precise PIHera vertical nanopositioning stage, 65 µm, without sensor, LEMO connectors
P-620.Z - P-622.Z PIHera Vertical Precision Positioner
Variable Travel Ranges and Axis Configuration
- Travel ranges 50 µm to 250 µm (350 µm open loop)
- Resolution to 0.1 nm
- Linearity error only 0.02 %
- Direct position measuring with capacitive sensors
- X, XY, Z, XYZ versions
Application fields
- Interferometry
- Microscopy
- Nanopositioning
- Biotechnology
- Test applications
- Semiconductor technology
Outstanding lifetime due to PICMA® piezo actuators
The PICMA® piezo actuators are all-ceramic insulated. This protects them against humidity and failure resulting from an increase in leakage current. PICMA® actuators offer an up to ten times longer lifetime than conventional polymer-insulated actuators. 100 billion cycles without a single failure are proven.
Subnanometer resolution with capacitive sensors
Capacitive sensors measure with subnanometer resolution without contacting. They guarantee excellent linearity of motion, long-term stability, and a bandwidth in the kHz range.
High guiding accuracy due to zero-play flexure guides
Flexure guides are free of maintenance, friction, and wear, and do not require lubrication. Their stiffness allows high load capacity and they are insensitive to shock and vibration. They work in a wide temperature range.
Maximum accuracy due to direct position measuring
Motion is measured directly at the motion platform without any influence from the drive or guide elements. This allows optimal repeatability, outstanding stability, and stiff, fast-responding control.
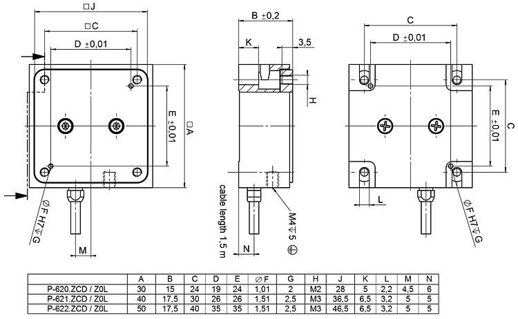
Specifications
Datasheet P-620.Z – P-622.Z
Specifications
| Motion | P-620.Z0L | P-620.ZCD | P-620.ZCL | P-621.Z0L | P-621.ZCD | P-621.ZCL | P-622.Z0L | P-622.ZCD | P-622.ZCL | Tolerance |
|---|---|---|---|---|---|---|---|---|---|---|
| Active axes | Z | Z | Z | Z | Z | Z | Z | Z | Z | |
| Travel range in Z, open loop | 65 µm | 65 µm | 65 µm | 140 µm | 140 µm | 140 µm | 350 µm | 350 µm | 350 µm | ±20 % |
| Yaw (Rotational crosstalk in θX with motion in Z) | ± 80 µrad | ± 80 µrad | ± 80 µrad | ± 100 µrad | ± 100 µrad | ± 100 µrad | ± 200 µrad | ± 200 µrad | ± 200 µrad | typ. |
| Pitch (Rotational crosstalk in θY with motion in Z) | ± 80 µrad | ± 80 µrad | ± 80 µrad | ± 100 µrad | ± 100 µrad | ± 100 µrad | ± 200 µrad | ± 200 µrad | ± 200 µrad | typ. |
| Travel range in Z | 50 µm | 50 µm | 100 µm | 100 µm | 250 µm | 250 µm | ||||
| Linearity error in Z | 0.02 % | 0.02 % | 0.02 % | 0.02 % | 0.02 % | 0.02 % | typ. | |||
| Positioning | P-620.Z0L | P-620.ZCD | P-620.ZCL | P-621.Z0L | P-621.ZCD | P-621.ZCL | P-622.Z0L | P-622.ZCD | P-622.ZCL | Tolerance |
| Resolution in Z, open loop | 0.1 nm | 0.1 nm | 0.1 nm | 0.2 nm | 0.2 nm | 0.2 nm | 0.5 nm | 0.5 nm | 0.5 nm | typ. |
| Bidirectional repeatability in Z | 1 nm | 1 nm | 1 nm | 1 nm | 1 nm | 1 nm | typ. | |||
| Integrated sensor | Capacitive, direct position measuring | Capacitive, direct position measuring | Capacitive, direct position measuring | Capacitive, direct position measuring | Capacitive, direct position measuring | Capacitive, direct position measuring | ||||
| System resolution in Z | 0.2 nm | 0.2 nm | 0.3 nm | 0.3 nm | 1 nm | 1 nm | ||||
| Drive Properties | P-620.Z0L | P-620.ZCD | P-620.ZCL | P-621.Z0L | P-621.ZCD | P-621.ZCL | P-622.Z0L | P-622.ZCD | P-622.ZCL | Tolerance |
| Drive type | PICMA® | PICMA® | PICMA® | PICMA® | PICMA® | PICMA® | PICMA® | PICMA® | PICMA® | |
| Maximum power consumption | 5 W | 5 W | 5 W | 18 W | 18 W | 18 W | 17 W | 17 W | 17 W | |
| Electrical capacitance in Z | 0.7 µF | 0.7 µF | 0.7 µF | 3 µF | 3 µF | 3 µF | 6.2 µF | 6.2 µF | 6.2 µF | ±20 % |
| Short-term maximum operating frequency | 333 Hz | 333 Hz | 333 Hz | 263 Hz | 263 Hz | 263 Hz | 120 Hz | 120 Hz | 120 Hz | |
| Mechanical Properties | P-620.Z0L | P-620.ZCD | P-620.ZCL | P-621.Z0L | P-621.ZCD | P-621.ZCL | P-622.Z0L | P-622.ZCD | P-622.ZCL | Tolerance |
| Stiffness in Z | 0.5 N/µm | 0.5 N/µm | 0.5 N/µm | 0.6 N/µm | 0.6 N/µm | 0.6 N/µm | 0.24 N/µm | 0.24 N/µm | 0.24 N/µm | ±20 % |
| Resonant frequency in Z, unloaded | 1000 Hz | 1000 Hz | 1000 Hz | 790 Hz | 790 Hz | 790 Hz | 360 Hz | 360 Hz | 360 Hz | ±20 % |
| Resonant frequency in Z, under load with 30 g | 690 Hz | 690 Hz | 690 Hz | 500 Hz | 500 Hz | 500 Hz | 270 Hz | 270 Hz | 270 Hz | ±20 % |
| Permissible push force in Y | 10 N | 10 N | 10 N | 10 N | 10 N | 10 N | 10 N | 10 N | 10 N | max. |
| Permissible push force in Z | 10 N | 10 N | 10 N | 10 N | 10 N | 10 N | 10 N | 10 N | 10 N | max. |
| Permissible pull force in Z | 5 N | 5 N | 5 N | 8 N | 8 N | 8 N | 8 N | 8 N | 8 N | max. |
| Guide | Flexure guide with lever amplification | Flexure guide with lever amplification | Flexure guide with lever amplification | Flexure guide with lever amplification | Flexure guide with lever amplification | Flexure guide with lever amplification | Flexure guide with lever amplification | Flexure guide with lever amplification | Flexure guide with lever amplification | |
| Overall mass | 120 g | 120 g | 120 g | 170 g | 170 g | 170 g | 240 g | 240 g | 240 g | |
| Material | Aluminum | Aluminum | Aluminum | Aluminum | Aluminum | Aluminum | Aluminum | Aluminum | Aluminum | |
| Miscellaneous | P-620.Z0L | P-620.ZCD | P-620.ZCL | P-621.Z0L | P-621.ZCD | P-621.ZCL | P-622.Z0L | P-622.ZCD | P-622.ZCL | Tolerance |
| Operating temperature range | -20 to 150 °C | -20 to 80 °C | -20 to 80 °C | -20 to 150 °C | -20 to 80 °C | -20 to 80 °C | -20 to 150 °C | -20 to 80 °C | -20 to 80 °C | |
| Connector | LEMO FFS.00.250.CTCE24 | D-sub 7W2 (m) | LEMO FFS.00.250.CTCE24 | LEMO FFS.00.250.CTCE24 | D-sub 7W2 (m) | LEMO FFS.00.250.CTCE24 | LEMO FFS.00.250.CTCE24 | D-sub 7W2 (m) | LEMO FFS.00.250.CTCE24 | |
| Cable length | 1.5 m | 1.5 m | 1.5 m | 1.5 m | 1.5 m | 1.5 m | 1.5 m | 1.5 m | 1.5 m | |
| Recommended controllers / drivers | E-503, E-505, E-610 | E-503, E-505, E-610, E-621, E-625, E-709.1C1L, E-754 | E-503, E-505, E-610, E-621, E-625, E-709.1C1L, E-754 | E-503, E-505, E-610 | E-503, E-505, E-610, E-621, E-625, E-709.1C1L, E-754 | E-503, E-505, E-610, E-621, E-625, E-709.1C1L, E-754 | E-503, E-505, E-610 | E-503, E-505, E-610, E-621, E-625, E-709.1C1L, E-754 | E-503, E-505, E-610, E-621, E-625, E-709.1C1L, E-754 | |
| Sensor connector | D-sub 7W2 (m) | LEMO for capacitive sensors | D-sub 7W2 (m) | LEMO for capacitive sensors | D-sub 7W2 (m) | LEMO for capacitive sensors |
The resolution of the system is limited only by the noise of the amplifier and the measuring technology because PI piezo nanopositioning systems are free of friction.
All specifications based on room temperature (22 °C ±3 °C).
Downloads
Product Note
Product Change Notification Piezo Actuator Driven Products
Datasheet
Datasheet P-620.Z – P-622.Z
Documentation
Short Instructions PZ240
Piezo Positioning Systems: P-5xx / P-6xx / P-7xx
User Manual PZ234
P-620, P-621, P-622, P-625, P-628, P-629 PIHera Piezo Stages with Capacitive Sensors
3D Models
P-62x.Z 3-D model
Quote / Order
Ask for a free quote on quantities required, prices, and lead times or describe your desired modification.
Precise PIHera vertical nanopositioning stage, 50 µm, direct position measuring, capacitive sensor, D-sub connector
Precise PIHera vertical nanopositioning stage, 50 µm, direct position measuring, capacitive sensor, LEMO connectors
Precise PIHera vertical nanopositioning stage, 140 µm, without sensor, LEMO connectors
Precise PIHera vertical nanopositioning stage, 100 µm, direct position measuring, capacitive sensor, D-sub connector
Precise PIHera vertical nanopositioning stage, 100 µm, direct position measuring, capacitive sensor, LEMO connectors
Precise PIHera vertical nanopositioning stage, 350 µm, without sensor, LEMO connectors
Precise PIHera vertical nanopositioning stage, 250 µm, direct position measuring, capacitive sensor, D-sub connector
Precise PIHera vertical nanopositioning stage, 250 µm, direct position measuring, capacitive sensor, LEMO connectors
Comment obtenir une offre de prix
Contactez un ingénieur!
Quickly receive an answer to your question by email or phone from a local PI sales engineer.
Technologie

Technologie PICMA®
Fiabilité et durée de vie étendues grâce au procédé de fabrication breveté pour les actionneurs multicouches.

Systèmes à structure déformable
Flexure guides from PI have proven their worth in nanopositioning. They guide the piezo actuator and ensure a straight motion without tilting or lateral offset.

Capteurs capacitifs
Les capteurs capacitifs sont le système de métrologie de choix pour les applications de nanopositionnement les plus exigeantes.

Vide
Manipulation précautionneuse, locaux adéquats : PI dispose non seulement de l'équipement nécessaire pour la qualification de matériaux, de composants et de produits finis mais s'appuie aussi sur de nombreuses années d'expérience en matière de systèmes de positionnement sous vide et ultra vide.
Technology

Technologie PICMA®
Fiabilité et durée de vie étendues grâce au procédé de fabrication breveté pour les actionneurs multicouches.

Systèmes à structure déformable
Flexure guides from PI have proven their worth in nanopositioning. They guide the piezo actuator and ensure a straight motion without tilting or lateral offset.

Capteurs capacitifs
Les capteurs capacitifs sont le système de métrologie de choix pour les applications de nanopositionnement les plus exigeantes.
























