M-110.C86311 Linear Stage System
Compact Linear Stage, DC Gear Motor, 5 mm Travel Range, with Controller
- Very compact due to folded drive
- Closed-loop DC motor
- Noncontact reference and limit switches
- XY setups can be mounted directly
- Larger quantities available quickly
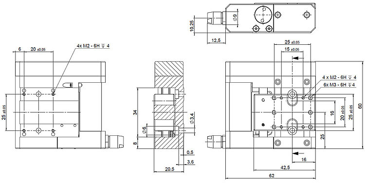
Compact linear stage
Linear stage with compact size due to folded drive with belt drive. Clear aperture with 10 mm Ø. XY setups can be mounted directly without adapter plate.
Drive
- Closed-loop DC gear motor
- Backlash-compensated leadscrew
Position measuring
- Rotary encoder on the motor shaft
- Noncontact Hall effect reference and limit switches
Application fields
Precision microassembly. Research. Laser marking. Automation. Optical alignment.
Specifications
Datasheet M-110.C86311
Specifications
C-863.11 | |
|---|---|
Function | DC motor control |
Drive types | DC motor, servo controlled Motors with PWM control, e.g., ActiveDrive amplifiers or brushless motors with integrated block commutation |
Axes | 1 |
Supported functions | Point-to-point motion. Startup macro. Data recorder for recording operating data such as motor voltage, velocity, position or position error. Internal safety circuitry: Watchdog timer. |
Motion and control | C-863.11 |
|---|---|
Controller type | PID controller, parameters modifiable during operation |
Servo cycle time | 50 µs |
Profile generator | Trapezoidal velocity profile |
Encoder input | A/B quadrature single-ended or differential TTL signal acc. to RS-422; 60 MHz |
Stall detection | Automatic motor stop when a programmable position error is exceeded |
Limit switches | 2 × TTL (programmable polarity) |
Reference switch | 1 × TTL |
Motor brake | 1 × TTL, can be switched by software |
Interfaces and operation | C-863.11 |
|---|---|
Communication interfaces | USB; RS-232, D-sub 9 (m) |
Motor connector | D-sub 15 (f) |
Controller network | Up to 16 units** on a single interface |
I/O lines | 4 analog / digital inputs (0 to 5 V / TTL), 4 digital outputs (TTL) |
Command set | PI General Command Set (GCS) |
User software | PIMikroMove |
Application programming interfaces | API for C / C++ / C# / VB.NET / MATLAB / Python, drivers for NI LabVIEW |
Manual control | Joystick, Y cable for 2-D motion, pushbutton box |
Miscellaneous | C-863.11 |
|---|---|
Operating voltage | 15 to 30 V DC from external power adapter (15 V DC power adapter included in the scope of delivery) |
Max. current consumption | 80 mA without load (when supplied with 24 V) |
Operating temperature range | 5 to 50 °C (temperature protection switches off at excessively high temperatures) |
Mass | 0.3 kg |
Dimensions | 130 mm × 76 mm × 40 mm (incl. mounting rails) |
Downloads
Datasheet
Datasheet M-110.C86311
Documentation
User Manual M110T0034
M-110.C86311 Compact precision linear stage system
Quote / Order
Ask for a free quote on quantities required, prices, and lead times or describe your desired modification.
Comment obtenir une offre de prix
Contactez un ingénieur!
Quickly receive an answer to your question by email or phone from a local PI sales engineer.









