PIglide MB miniature linear stage with air bearing; ironless 3-phase linear motor; 35 mm travel range; 30 N load capacity; 250 mm/s maximum velocity; incremental linear encoder, 20 µm sensor signal period, sin/cos, 1 V peak-peak; 0.45 m cable length
A-141 PIglide MB Miniature Linear Stage with Air Bearings
High Performance, Cleanroom Compatible, Customizable
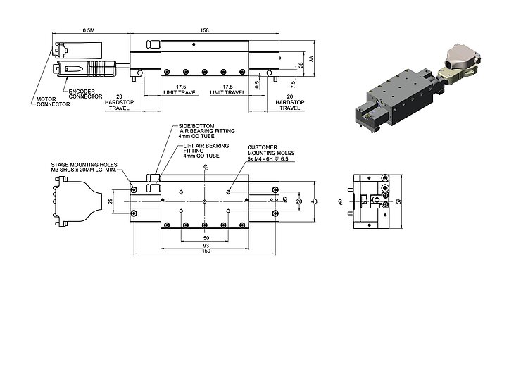
- Size of the motion platform 57 mm × 93 mm
- Low profile 38 mm
- Travel ranges to 35 mm
- Load capacity to 3 kg
- Velocity to 0.25 m/s
- Acceleration to 3.5 m/s2
Product overview
The PIglide MB linear stage with air bearing is equipped with a servo linear motor drive with preloaded air bearings and integrated optical linear encoder. This stage offers ultra-precision in miniature format. The combination of the noncontact components results in a frictionless motion platform that offers the highest performance, quality, and lifetime.
Accessories and options
- PIglide Filter and Air Preparation Kits
- Single and multi-axis motion controller
- Base plates made of granite and systems for reducing vibration
Application fields
The stage is ideally suited for many high precision applications, such as metrology, photonics alignment, optics positioning, and scanning. The noncontact design also is ideal for cleanroom applications. Electrical cables are not moved. The air bearing module offers a locking design for the ultimate in position stability.
Specifications
Datasheet A-141
Specifications
| Motion | A-141.035A1 | Tolerance |
|---|---|---|
| Active axes | X | |
| Travel range in X | 35 mm | |
| Acceleration in X, unloaded | 3.5 m/s² | max. |
| Maximum velocity in X, unloaded | 250 mm/s | |
| Straightness (Linear crosstalk in Y with motion in X) | ± 0.1 µm | max. |
| Flatness (Linear crosstalk in Z with motion in X) | ± 0.1 µm | max. |
| Roll (Rotational crosstalk in θX with motion in X) | ± 5 µrad | max. |
| Pitch (Rotational crosstalk in θY with motion in X) | ± 5 µrad | max. |
| Yaw (Rotational crosstalk in θZ with motion in X) | ± 5 µrad | max. |
| Positioning | A-141.035A1 | Tolerance |
| Positioning accuracy in X, calibrated | ± 0.2 µm | typ. |
| Positioning accuracy in X, uncalibrated | ± 2 µm | typ. |
| Bidirectional repeatability in X | 0.1 µm | typ. |
| Reference switch | Encoder index | |
| Limit switches | Hall effect | |
| Integrated sensor | Incremental linear encoder | |
| Sensor signal | Sin/cos, 1 V peak-peak | |
| Sensor signal period | 20 µm | |
| Sensor resolution | 4.88 nm | |
| Drive Properties | A-141.035A1 | Tolerance |
| Drive type | Ironless 3-phase linear motor | |
| Nominal voltage | 48 V | |
| Peak voltage | 80 V | |
| Nominal current, RMS | 0.3 A | typ. |
| Peak current, RMS | 1.1 A | typ. |
| Drive force in X | 0.58 N | typ. |
| Peak force in X | 2.3 N | |
| Force constant | 2.1 N/A | |
| Resistance phase-phase | 22.4 Ω | typ. |
| Inductance phase-phase | 1 mH | |
| Back EMF phase-phase | 0.7 V·s/m | max. |
| Pole pitch N-N | 18 mm | |
| Mechanical Properties | A-141.035A1 | Tolerance |
| Permissible push force in Z | 30 N | max. |
| Permissible torque in θx | 1.1 N·m | max. |
| Permissible torque in θY | 2.8 N·m | max. |
| Moved mass in X, unloaded | 300 g | |
| Guide | Air bearing guide with air preload | |
| Overall mass | 600 g | |
| Material | Hardcoat aluminum, stainless steel mounting hardware | |
| Miscellaneous | A-141.035A1 | Tolerance |
| Operating temperature range | +15 to +25 °C | |
| Connector | D-sub 9W4 (m) | |
| Sensor connector | D-sub 15-pin (m) | |
| Operating pressure | 445 to 515 (65 to 75 psi) kPa | |
| Air consumption | 28 L/min | max. |
| Air quality | Clean (filtered up to 1.0 µm or better) - ISO 8573–1 class 1 Oil free - ISO 8573–1 class 1 Dry (-15 °C dew point) - ISO 8573–1 class 3 | |
| Cable length | 0.45 m | |
| Recommended controllers / drivers | A-81x, A-82x |
Downloads
Datasheet
Datasheet A-141
Documentation
User Manual A141D001
A-141 Series Miniature Linear Air Bearing Stage
3D Models
A-141 3-D model
Quote / Order
Ask for a free quote on quantities required, prices, and lead times or describe your desired modification.
Comment obtenir une offre de prix
Contactez un ingénieur!
Quickly receive an answer to your question by email or phone from a local PI sales engineer.




















