NEXACT® OEM miniature linear motor / actuator; NEXACT® piezo walking drive; 20 mm travel range; 10 N drive force; 10 mm/s maximum velocity; 1.5 m cable length
N-310 NEXACT® OEM Miniature Linear Motor / Actuator
Compact, Fast, with Long Travel Range, PiezoWalk® Principle
- Travel range 20 mm
- Compact in size, inexpensive design
- Resolution to 0.03 nm
- Drive force up to 10 N
Nanometer precision and high feed force with PiezoWalk® walking drives
In the PiezoWalk® walking drive, several piezo actuators do a walking motion that leads to a forward feed of a runner. Control of the actuators allows the smallest step and forward feed motion at a resolution of well under one nanometer.
Highly accurate position measuring with incremental linear encoder
Noncontact optical linear encoders measure the position directly at the platform with the greatest accuracy. Nonlinearity, mechanical play or elastic deformation have no influence on the measurement.
Application fields
- Industrial precision positioning
- Semiconductor technology
- Semiconductor tests
- Wafer inspection
- Lithography
- Nanoimprinting
- Nanometrology
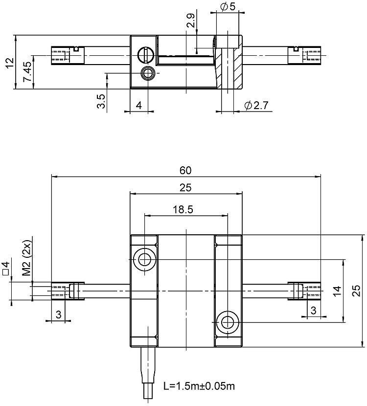
Specifications
Datasheet N-310
Specifications
| Motion | N-310.11 | Tolerance |
|---|---|---|
| Active axes | X | |
| Travel range in X | 20 mm | |
| Travel range in X (analog mode) | 10 µm | max. |
| Maximum velocity in X, unloaded | 10 mm/s | |
| Positioning | N-310.11 | Tolerance |
| Step size in full step mode | 10 µm | |
| Resolution in X, open loop | 0.03 nm | typ. |
| Drive Properties | N-310.11 | Tolerance |
| Drive type | NEXACT® piezo walking drive | |
| Operating voltage | -10 to +45 V | |
| Drive force in X | 10 N | typ. |
| Mechanical Properties | N-310.11 | Tolerance |
| Holding force in X, passive | 12 N | max. |
| Overall mass | 50 g | ±5 % |
| Material | Stainless steel, ceramic; cable: PFA, PTFE | |
| Miscellaneous | N-310.11 | Tolerance |
| Operating temperature range | 0 to 50 °C | |
| Connector | HD D-sub 15 (m) | |
| Cable length | 1.5 m | ±50 mm |
| Recommended controllers / drivers | E-712, E-861, E-861.11C885 |
Maximum velocity in X, unloaded: depending on the drive electronics
Resolution in X, open loop: depending on the drive electronics
At PI, technical data is specified at 22 ±3 °C. Unless otherwise stated, the values are for unloaded conditions. Some properties are interdependent. The designation "typ." indicates a statistical average for a property; it does not indicate a guaranteed value for every product supplied. During the final inspection of a product, only selected properties are analyzed, not all. Please note that some product characteristics may deteriorate with increasing operating time.
Downloads
Product Note
Product Change Notification N-310.XX-N-47X.XX
Datasheet
Datasheet N-310
Documentation
User Manual N310T0012
N-310 NEXACT® OEM Miniature Linear Drive
3D Models
N-310.11 3D Model
Ask for a free quote on quantities required, prices, and lead times or describe your desired modification.
Comment obtenir une offre de prix
Contactez un ingénieur!
Quickly receive an answer to your question by email or phone from a local PI sales engineer.
Technologie

Moteurs PiezoWalk®
PiezoWalk® drives were developed more than 10 years ago for the semiconductor industry, a demanding industry when it comes to reliability, position resolution and long-term stability.

Capteurs incrémentaux
PI utilise des systèmes de mesure incrémentaux pour des gammes de déplacements plus longues, à partir d'un millimètre approximativement. Ces capteurs qui, dans la plupart des cas sont des capteurs optiques, offrent une résolution de position de l'ordre du picomètre.

Positionneurs multiaxes
Les plateformes hexapode sont utilisées pour le positionnement de précision et l'alignement de charges selon six degrés de liberté, trois axes linéaires et trois axes rotatifs.

Vide
Manipulation précautionneuse, locaux adéquats : PI dispose non seulement de l'équipement nécessaire pour la qualification de matériaux, de composants et de produits finis mais s'appuie aussi sur de nombreuses années d'expérience en matière de systèmes de positionnement sous vide et ultra vide.












