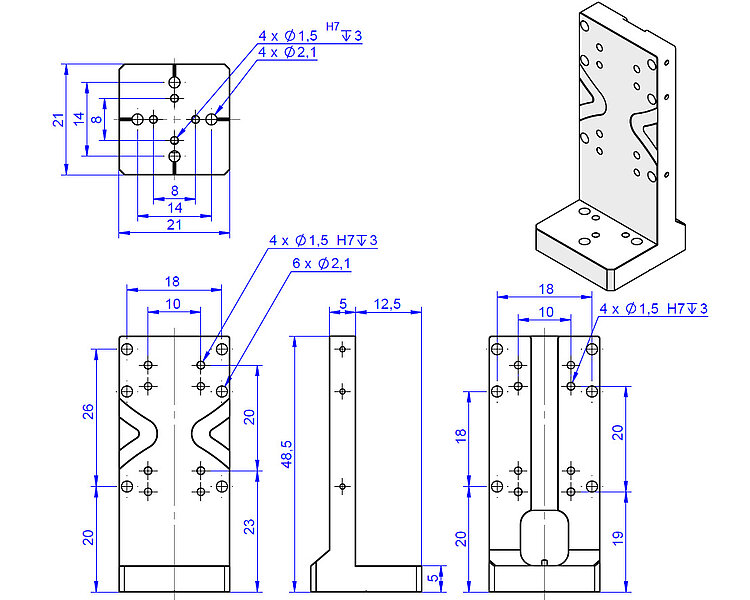
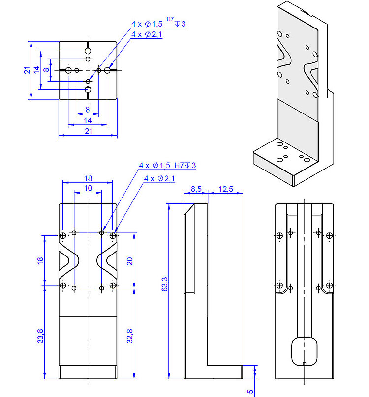
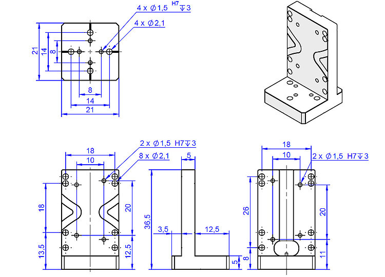
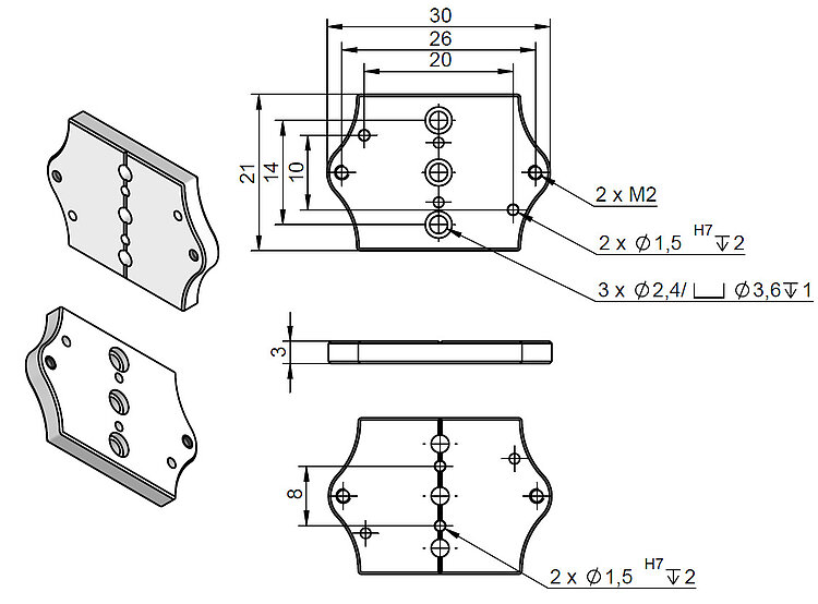
Q-121.10U 
              
Adapter bracket for vertical mounting of Q-521 miniature linear stages with 12 mm travel range, not anodized









Ask for a free quote on quantities required, prices, and lead times or describe your desired modification.
Quickly receive an answer to your question by email or phone from a local PI sales engineer.