P-725KHDS PIFOC® Objective Scanner with High Dynamics
Nanometer Resolution for Heavy Objectives
- Travel range 400 µm
- Resonant frequency 120 Hz, with 400 g load
- Step-and-settle 20 ms, with 400 g load
- QuickLock thread adapters up to M32
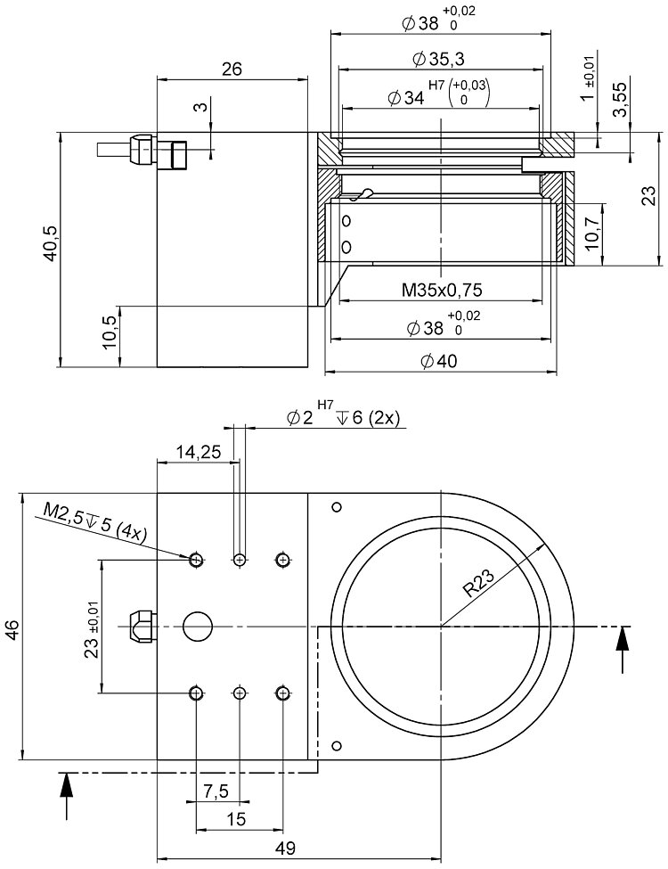
PIFOC objective scanner
1 axis. Frictionless flexure-guided design. Capacitive position sensor for maximum stability and linearity. QuickLock adapter for easy attachment.
PICMA® high-performance piezo drive
Piezo ceramic actuators with all-ceramic insulation. Longer lifetime, humidity resistance and operating temperatures to 80 °C.
Application fields
Microscopy, confocal microscopy, 3D imaging, screening, autofocus systems, surface analysis. Ideal for multiphoton microscopy due to high dynamics at heavy loads.
Specifications
Datasheet P-725KHDS
Specifications
P-725KHDS | Unit | |
|---|---|---|
Active axes | Z | |
Motion and positioning | ||
Integrated sensor | Capacitive | |
Closed-loop travel | 400 | µm |
Closed-loop resolution | 2.5 | nm |
Linearity error | 0.06 | % |
Mechanical properties | ||
Stiffness | 0.35 | N/µm |
Unloaded resonant frequency | 340 | Hz |
Loaded resonant frequency, 100 g | 230 | Hz |
Loaded resonant frequency, 400 g | 120 | Hz |
Load capacity | 10 | N |
Drive properties | ||
Piezo ceramic | PICMA® P-887 | |
Electrical capacitance | 12.8 | µF |
Miscellaneous | ||
Operating temperature range | 10 to 50 | °C |
Material | Aluminum | |
Cable length | 1.5 | m |
Connector | D-sub 7W2 | |
Recommended electronics | E-709.CHG |
Downloads
Datasheet
Datasheet P-725KHDS
Quote / Order
Ask for a free quote on quantities required, prices, and lead times or describe your desired modification.
Comment obtenir une offre de prix
Contactez un ingénieur!
Quickly receive an answer to your question by email or phone from a local PI sales engineer.




