PILine® linear stage; PILine® piezo motor, performance class 1; 22 mm travel range; 5 N load capacity; 200 mm/s maximum velocity; incremental linear encoder, 10 nm sensor resolution; 1.5 m cable length
U-523 PILine® Linear Stage
Compact Linear Stage with Ultrasonic Piezo Motor
- Fast positioning
- Space-saving and light
- High guiding accuracy
- High sensor resolution of 10 nm
- Self-locking, no heat generation at rest
- Low-noise operation
Precision-class linear positioning stage
PILine® stages are particularly suitable for applications that require fast precision positioning. When switched off, the self-locking drive holds the position of the stage mechanically stable. Energy consumption and heat generation are therefore considerably reduced. Applications with a low duty cycle that are battery-powered or heat-sensitive benefit from these characteristics. The position of the axis is measured by an encoder and an optical reference switch allows reliable repeatable motion. The piezomotor drive principle and its electrical operation are inexpensive and can be customized.
PILine® ultrasonic piezomotor
An integral part of a PILine® ultrasonic piezomotor is a piezo actuator that is preloaded against a movable, guided runner via a coupling element. The piezoceramic actuator is excited to ultrasonic oscillation by a high-frequency AC voltage between 100 and 200 kHz. Deformation of the actuator leads to periodic diagonal motion of the coupling element relative to the runner. The feed created is a few nanometers per cycle; the high frequencies lead to the high velocities. Preloading the piezoceramic actuator against the runner ensures self-locking of the drive when at rest and switched off.
Highly accurate position measuring with incremental linear encoder
Noncontact optical encoders measure the position directly at the platform with the greatest accuracy. Nonlinearity, mechanical play or elastic deformation have no influence on the measurement.
Application fields
Micromanipulation, automation, biotechnology, sample manipulation, sample positioning, applications with limited space, vacuum applications to 10-6 hPa (optional).
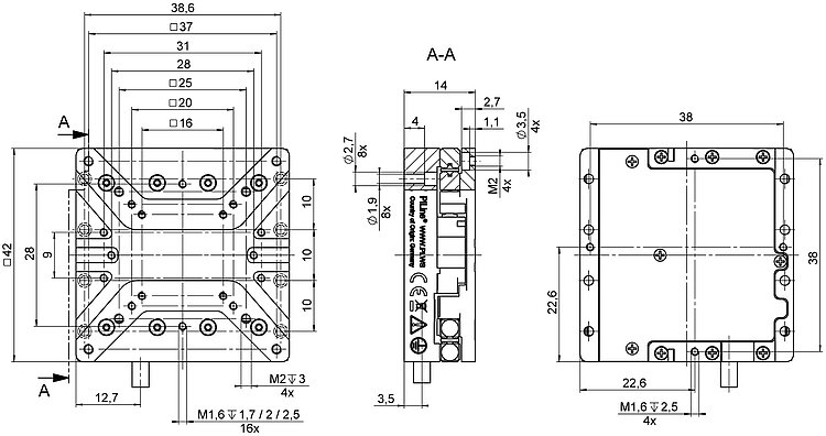
Specifications
Datasheet U-523
Specifications
| Motion | U-523.25 | Tolerance |
|---|---|---|
| Active axes | X | |
| Travel range in X | 22 mm | |
| Maximum velocity in X | 200 mm/s | |
| Angular error around Y (pitch) | ± 750 µrad | typ. |
| Angular error around Z (yaw) | ± 150 µrad | typ. |
| Positioning | U-523.25 | Tolerance |
| Minimum incremental motion in X | 0.1 µm | typ. |
| Reference switch | Optical | |
| Integrated sensor | Incremental linear encoder | |
| Sensor resolution | 10 nm | |
| Drive Properties | U-523.25 | Tolerance |
| Drive type | PILine® piezo motor, performance class 1 | |
| Drive force in X | 2 N | typ. |
| Mechanical Properties | U-523.25 | Tolerance |
| Permissible push force in Z | 5 N | max. |
| Holding force in X, passive | 2 N | min. |
| Guide | Crossed roller guide | |
| Overall mass | 140 g | |
| Mass without cable | 70 g | |
| Material | Aluminum, anodized | |
| Miscellaneous | U-523.25 | Tolerance |
| Operating temperature range | 0 to 40 °C | |
| Connector | D-sub 15 (m) | |
| Cable length | 1.5 m | |
| Recommended controllers / drivers | C-867.1U, C-867.10C885, C-867.2U2 |
Specifications determined with the C-867.1U controller.
Ask about customized versions.
At PI, technical data is specified at 22 ±3 °C. Unless otherwise stated, the values are for unloaded conditions. Some properties are interdependent. The designation "typ." indicates a statistical average for a property; it does not indicate a guaranteed value for every product supplied. During the final inspection of a product, only selected properties are analyzed, not all. Please note that some product characteristics may deteriorate with increasing operating time.
Downloads
Datasheet
Datasheet U-523
Documentation
User Manual MP178
For U-523.25
Short Instructions MP121EK
PILine® Positioners: M-66x, M-68x, U-521, U-62x, U-651, U-7xx
3D Models
U-523.25 3-D model
Ask for a free quote on quantities required, prices, and lead times or describe your desired modification.
Comment obtenir une offre de prix
Contactez un ingénieur!
Quickly receive an answer to your question by email or phone from a local PI sales engineer.











