PIglide RLA rotation stage with air bearing; ironless 3-phase torque motor; 360° rotational angle; 150 N load capacity; 500 min⁻¹ maximum angular velocity; incremental angle measuring system, 0.03 µrad sensor resolution, rotary, sin/cos, 1 V peak-peak
A-68x PIglide Rotation Stage with Air Bearing
Large Aperture, Friction Free, Motorized
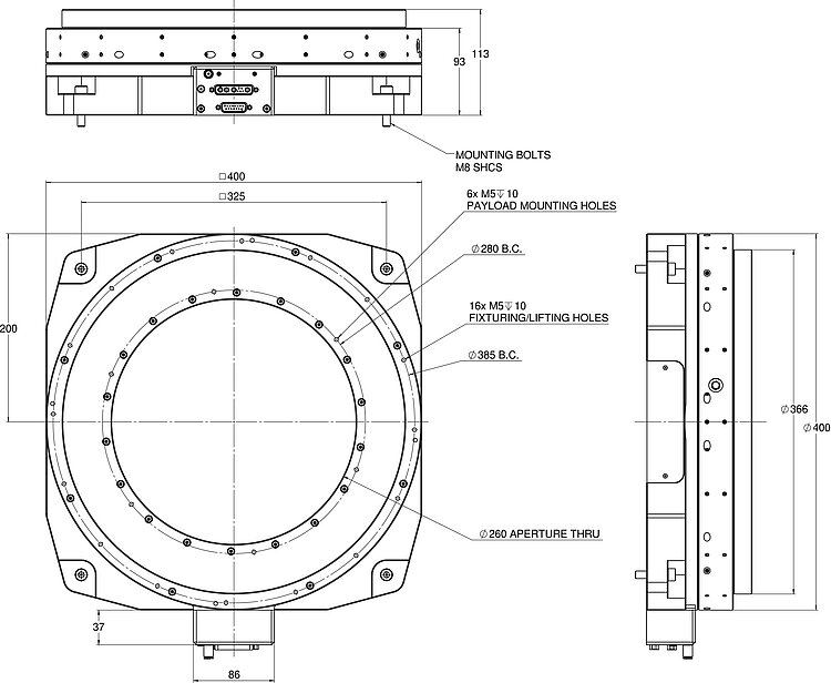
- 365 mm diameter motion platform, 260 mm diameter aperture
- Low profile
- Eccentricity and flatness < 300 nm
Product overview
The directly driven rotation stages of the PIglide RLA series are designed for ultra-high precision. They have a low profile and a large clear aperture. The RLA stages offer a superior travel accuracy, flatness, and wobble performance.
3-Phase torque motor
- Brushless
- Low cogging torque
Absolute encoder (optional)
Absolute encoders supply explicit position information that enables immediate determination of the position. Therefore, no referencing is necessary when switching on and this increases efficiency and safety during operation.
Accessories and options
- Incremental or absolute encoder
- PIglide filter and air preparation kits
- Single or multi-axis motion controllers and servo drives
- Multi-axis/customized setups
- Base plates made of granite and systems for reducing vibration
Application fields
Tomography, beamline systems, wafer metrology, wafer inspection, measuring technology, inspection systems, calibration, scanning.
Thanks to the friction-free motion, no particles are formed, which makes PIglide stages ideal for cleanroom applications.
Specifications
Datasheet A-68x
Specifications
| Motion | A-688.A100 | A-688.B100 | Tolerance |
|---|---|---|---|
| Active axes | θZ | θZ | |
| Rotation range in θZ | 360 ° | 360 ° | |
| Maximum angular velocity in θZ, unloaded | 500 rpm | 500 rpm | |
| Radial error in X | ± 0.15 µm | ± 0.15 µm | typ. |
| Axial error | ± 0.175 µm | ± 0.175 µm | typ. |
| Tilt error around X (wobble) | ± 1 µrad | ± 1 µrad | typ. |
| Positioning | A-688.A100 | A-688.B100 | Tolerance |
| Positioning accuracy in θZ, calibrated | ± 8 µrad | ± 8 µrad | typ. |
| Bidirectional repeatability in θZ | 4 µrad | 4 µrad | typ. |
| Reference switch | 1 / revolution, differential pulse over one sensor signal period, 1 V peak-peak | — | |
| Integrated sensor | Incremental angle-measuring system | Absolute angle-measuring system | |
| Sensor signal | Sin/cos, 1 V peak-peak | BiSS-C | |
| Sensor signal periods / U | 55040 | — | |
| Sensor resolution, rotational | 0.03 µrad | 0.0015 µrad | |
| Drive Properties | A-688.A100 | A-688.B100 | Tolerance |
| Drive type | Ironless 3-phase torque motor | Ironless 3-phase torque motor | |
| Nominal voltage | 48 V | 48 V | |
| Peak voltage | 80 V | 80 V | |
| Nominal current, RMS | 3.2 A | 3.2 A | typ. |
| Peak current, RMS | 6.9 A | 6.9 A | typ. |
| Drive torque clockwise in θZ | 39 N·m | 39 N·m | max. |
| Drive torque counterclockwise in θZ | 39 N·m | 39 N·m | max. |
| Peak torque clockwise in θZ | 85 N·m | 85 N·m | max. |
| Peak torque counterclockwise in θZ | 85 N·m | 85 N·m | max. |
| Torque constant | 12.3 N·m/A | 12.3 N·m/A | typ. |
| Resistance phase-phase | 3.6 Ω | 3.6 Ω | typ. |
| Inductance phase-phase | 1.24 mH | 1.24 mH | |
| Back EMF, phase-phase, rotational | 10.1 V/kRPM | 10.1 V/kRPM | max. |
| Mechanical Properties | A-688.A100 | A-688.B100 | Tolerance |
| Permissible push force in X | 190 N | 190 N | max. |
| Permissible push force in Y | 190 N | 190 N | max. |
| Permissible push force in Z | 150 N | 150 N | max. |
| Permissible torque in θX | 36 N·m | 36 N·m | max. |
| Permissible torque in θY | 36 N·m | 36 N·m | max. |
| Moment of inertia in θZ, unloaded | 284710 kg·mm² | 284710 kg·mm² | ±20 % |
| Moved mass in θZ, unloaded | 12000 g | 12000 g | ±5 % |
| Bearing type | Air bearings with air preload | Air bearings with air preload | |
| Overall mass | 24000 g | 24000 g | ±5 % |
| Material | Hardcoat aluminum, stainless steel mounting hardware | Hardcoat aluminum, stainless steel mounting hardware | |
| Miscellaneous | A-688.A100 | A-688.B100 | Tolerance |
| Operating temperature range | 15 to 25 °C | 15 to 25 °C | |
| Connector | D-sub 9W4 (m) | D-sub 9W4 (m) | |
| Sensor connector | D-sub 15 (m) | D-sub 15 (m) | |
| Operating pressure | 515 to 585 kPa | 515 to 585 kPa | |
| Air consumption | 56 L/min | 56 L/min | max. |
| Air quality | Clean (filtered up to 1.0 µm or better) - ISO 8573–1 class 1 ǀ Oil free - ISO 8573–1 class 1 ǀ Dry (-15 °C dew point) - ISO 8573–1 class 3 | Clean (filtered up to 1.0 µm or better) - ISO 8573–1 class 1 ǀ Oil free - ISO 8573–1 class 1 ǀ Dry (-15 °C dew point) - ISO 8573–1 class 3 | |
| Recommended controllers / drivers | A-81x, A-82x | A-81x, A-82x |
Note on the linear and rotational crosstalk: Depending on the quality of the underlying surface, the payload, the orientation and the forces acting on the stage from the outside. Please contact PI for application-specific parameters. The specified values are static (no rotary motion during measuring) and without load.
Note on permissible push force and permissible torque: The displayed values assume an air supply at 550 kPa (80 psi). Please contact PI if other pressures are required.
Note on angular velocity: May be limited by payload, payload imbalance, controller, or drive.
Note on sensor resolution for A-68x.A100: Assumes a 4096x interpolation. Contact PI for the use of other factors.
Note on positioning accuracy: With guiding error compensation. The specified values are based on error compensation controlled by the controller. The stage must be ordered with an A-8xx series controller from PI to reach these values. Accuracy values assume short duration and do not consider the long-term effects of thermal drift on the stage.
Note on operating pressure: To protect the stage against damage, it is recommended to connect an air pressure sensor to the Motion-Stop input of the controller.
Ask about customized versions
At PI, technical data is specified at 22 ±3 °C. Unless otherwise stated, the values are for unloaded conditions. Some properties are interdependent. The designation "typ." indicates a statistical average for a property; it does not indicate a guaranteed value for every product supplied. During the final inspection of a product, only selected properties are analyzed, not all. Please note that some product characteristics may deteriorate with increasing operating time.
Downloads
Datasheet
Datasheet A-68x
Documentation
User Manual A688D0001
A-688 Series Large Clear Aperture Rotary Air Bearing Stage
3D Models
3-D model A-68x
Ask for a free quote on quantities required, prices, and lead times or describe your desired modification.
PIglide RLA rotation stage with air bearing; ironless 3-phase torque motor; 360° rotational angle; 150 N load capacity; 500 min⁻¹ maximum angular velocity; absolute angle measuring system, 0.0015 µrad sensor resolution, rotary, BiSS-C
Comment obtenir une offre de prix
Contactez un ingénieur!
Quickly receive an answer to your question by email or phone from a local PI sales engineer.












